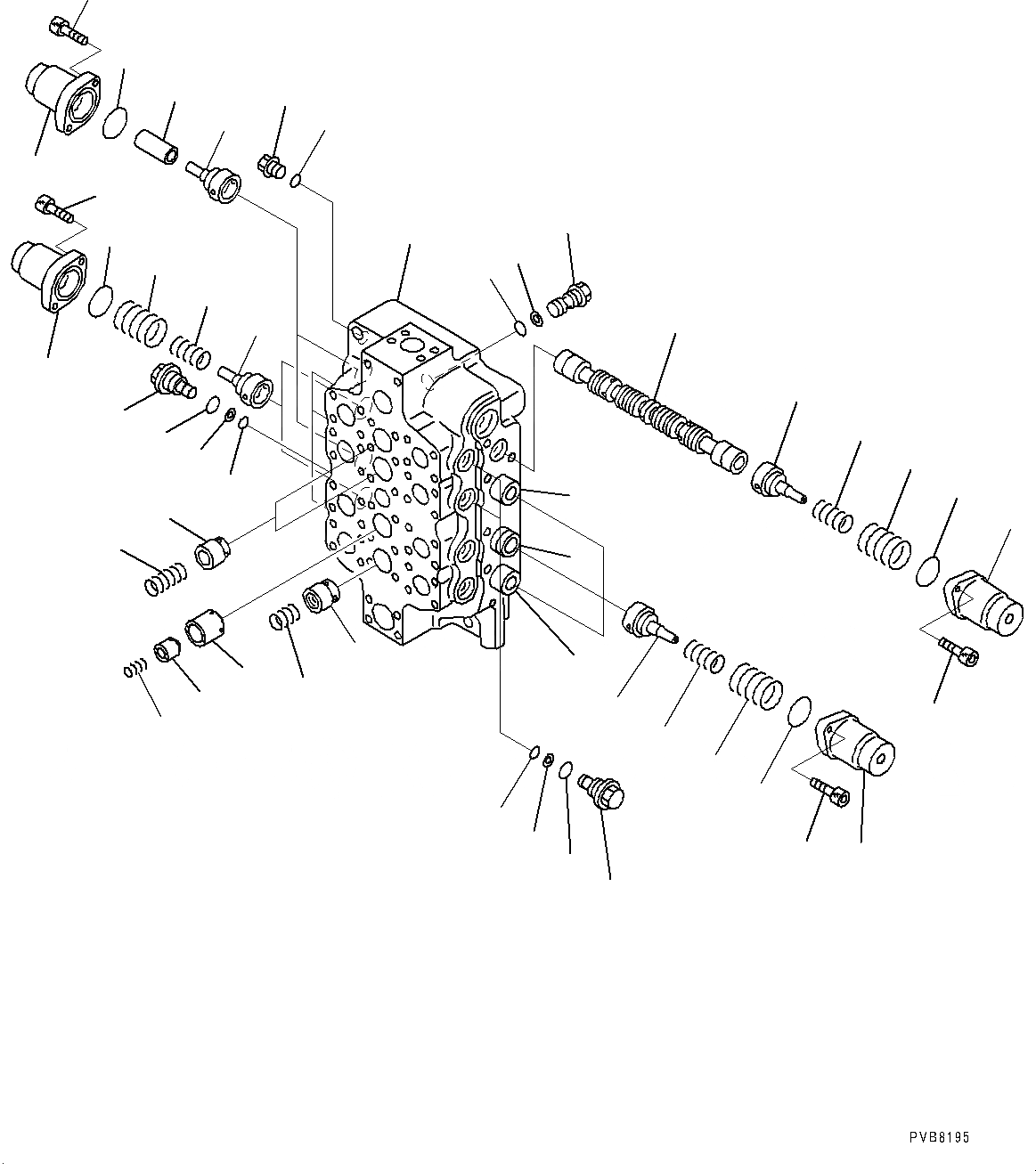
Запчасти Komatsu PC1250-8R ПОВОРОТН. УПРАВЛЯЮЩ. КЛАПАН, NO. (/) (№-) ПОВОРОТН. УПРАВЛЯЮЩ. КЛАПАН

Схема запчастей Komatsu PC1250-8R - ПОВОРОТН. УПРАВЛЯЮЩ. КЛАПАН, NO. (/) (№-) ПОВОРОТН. УПРАВЛЯЮЩ. КЛАПАН
1
2
5
4
3
6
7
8
9
10
23
24
11
12
13
14
15
16
12
13
25
15
16
18
17
26
11
12
13
14
15
16
23
24
21
22
21
22
11
19
20
28
27
15
16
11
12
14
FIT
1:1
100%

Артикул

Название

Примечание

Количество

|$0

709-14-93500

Valve Assembly

|$1

Body Assembly

1

Body

2

Spool

3

Spool

4

Spool

5

Spool

6

700-22-11370

Plug

7

07002-12434

O-ring

8

709-14-11510

Plug

9

700-80-61260

O-ring

10

700-80-61430

Ring, Back-up

11

709-14-11520

Case

12

709-14-11530

Retainer

13

709-14-11550

Spring

14

709-14-11560

Spring

15

07000-12065

O-ring

16

01252-61035

Bolt, Hexagon Socket Head

17

709-12-11411

Valve, Check

18

709-14-11840

Valve, Check

19

709-12-11430

Spring

20

709-14-11721

Spring

21

700-94-11260

Plug

22

07002-13634

O-ring

23

07000-12018

O-ring

24

07001-02018

Ring, Back-up

25

709-14-11540

Tube

26

709-14-11790

Spring

27

709-14-11771

Poppet

28

709-14-11850

Poppet

Выбрано товаров: 30