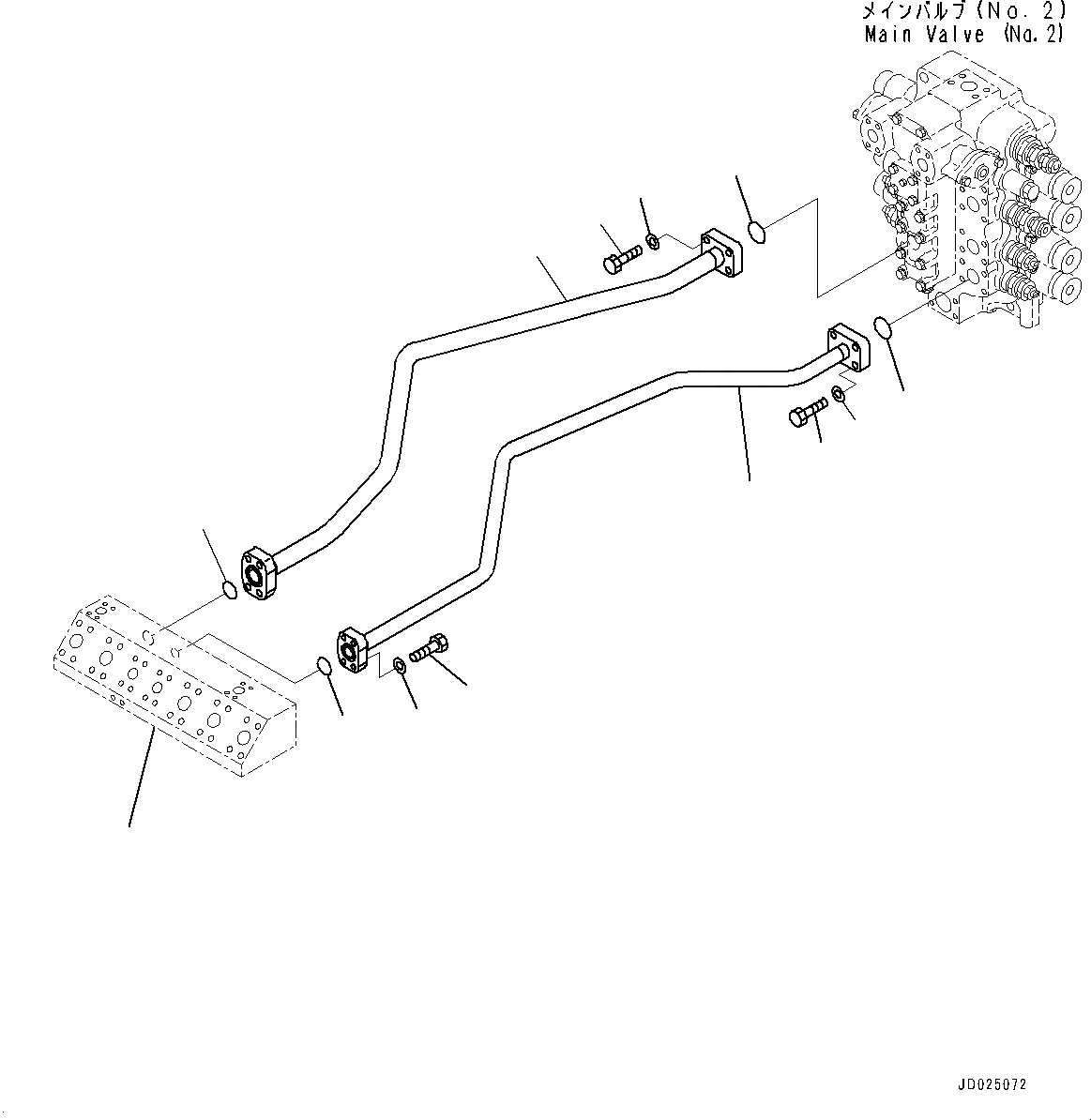
Запчасти Komatsu PC1250-8R РУКОЯТЬ ТРУБЫ, NO. КЛАПАН (№-) РУКОЯТЬ ТРУБЫ

Схема запчастей Komatsu PC1250-8R - РУКОЯТЬ ТРУБЫ, NO. КЛАПАН (№-) РУКОЯТЬ ТРУБЫ
1
2
3
4
5
6
7
8
9
10
11
9
12
FIT
1:1
100%

Артикул

Название

Примечание

Количество

1

21N-62-37560

Tube

2

07000-B3048

O-ring

3

07000-B3038

O-ring

4

01010-81455

Bolt

5

01643-31445

Washer, Flat

6

01010-81245

Bolt

7

01643-31232

Washer

8

21N-62-37570

Tube

9

07000-B3048

O-ring

10

01010-81455

Bolt

11

01643-31445

Washer, Flat

12

21N-62-37680

Block

Выбрано товаров: 12