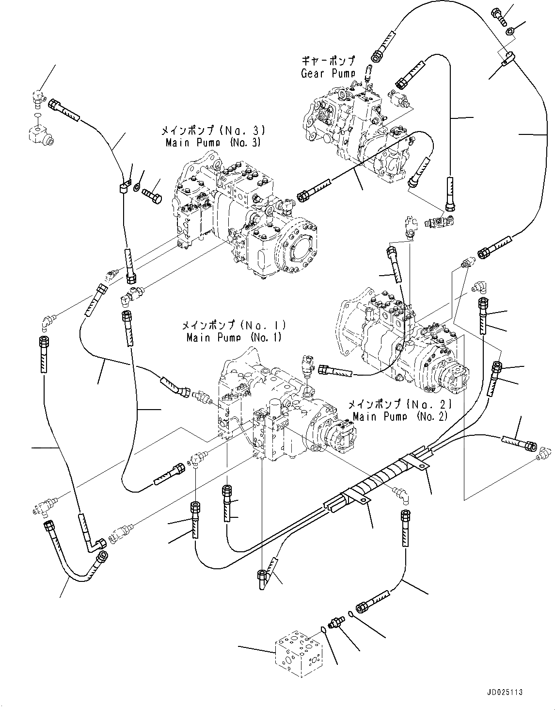
Запчасти Komatsu PC1250-8R O.L.S.S. ТРУБЫ, (/) (№-) O.L.S.S. ТРУБЫ

Схема запчастей Komatsu PC1250-8R - O.L.S.S. ТРУБЫ, (/) (№-) O.L.S.S. ТРУБЫ
13
5
6
2
4
3
14
16
1
7
8
10
11
17
9
12
18
19
20
14
13
13
16
15
22
24
23
17
21
13
15
26
25
FIT
1:1
100%

Артикул

Название

Примечание

Количество

1

02762-00508

Hose, Face Seal Type

2

04434-52312

Clip

3

01010-81225

Bolt

4

01643-31232

Washer

5

02762-00507

Hose, Face Seal Type

6

21N-62-36660

Hose

7

02761-003A5

Hose, Face Seal Type

8

02761-00306

Hose, Face Seal Type

9

02777-00304

Hose, Face Seal Type

10

02781-00315

Union

11

07002-62034

O-ring

12

02896-61009

O-ring

13

02760-003A9

Hose, Face Seal Type

14

02761-00311

Hose, Face Seal Type

15

20Y-62-22790

Band, Red

16

20Y-62-22820

Band, Blue

17

113-899-7950

Clip

18

02762-003A4

Hose, Face Seal Type

19

02762-00305

Hose, Face Seal Type

20

02762-00607

Hose

21

02764-00309

Hose, Face Seal Type

22

04434-51512

Clip

23

01010-81225

Bolt

24

01643-31232

Washer

25

02782-10518

Elbow

26

21N-62-37220

Block

Выбрано товаров: 0