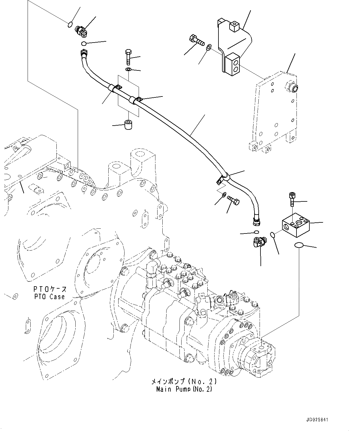
Запчасти Komatsu PC1250-8R POWER TAKEOFF, EXTREME HOT AREA СПЕЦ-ЯIFICATION ( DEG C), ЗАПЫЛЕНН МЕСТН. ARRANGEMENT, VHMS, ПОДАЮЩ. ТРУБЫ (№-) POWER TAKEOFF, EXTREME HOT AREA СПЕЦ-ЯIFICATION ( DEG C), ЗАПЫЛЕНН МЕСТН. ARRANGEMENT, VHMS

Схема запчастей Komatsu PC1250-8R - POWER TAKEOFF, EXTREME HOT AREA СПЕЦ-ЯIFICATION ( DEG C), ЗАПЫЛЕНН МЕСТН. ARRANGEMENT, VHMS, ПОДАЮЩ. ТРУБЫ (№-) POWER TAKEOFF, EXTREME HOT AREA СПЕЦ-ЯIFICATION ( DEG C), ЗАПЫЛЕНН МЕСТН. ARRANGEMENT, VHMS
2
1
3
6
7
8
9
4
5
15
16
17
18
19
20
8
12
13
14
10
11
21
22
FIT
1:1
100%

Артикул

Название

Примечание

Количество

1

07000-E3030

O-ring

2

21N-62-42210

Block

3

01252-70850

Bolt, Hexagon Socket Head

4

02782-10315

Elbow

5

02896-21009

O-ring

6

07002-22034

O-ring

7

21N-38-41260

Hose

8

04434-51612

Clip

9

195-33-11220

Spacer

10

02783-10315

Elbow

11

02896-21009

O-ring

12

07002-22034

O-ring

13

01010-81250

Bolt

14

01643-31232

Washer

15

04434-51612

Clip

16

01010-81220

Bolt

17

01643-31232

Washer

18

21N-62-41640

Bracket

19

01010-81265

Bolt

20

01643-31232

Washer

21

21N-62-41232

Bracket

22

21N-62-41631

Bracket

Выбрано товаров: 22