Запчасти Komatsu PC1250-8R ГУСЕНИЧНАЯ РАМА, С RUSTЗАЩИТА SPRING, КОНЕЧНАЯ ЗАЩИТА КАТКОВ, ОПОРНЫЙ ЭЛЕМЕНТ ЛЕНИВЦА, ЛЕВ. (№-) ГУСЕНИЧНАЯ РАМА, С RUSTЗАЩИТА SPRING, КОНЕЧНАЯ ЗАЩИТА КАТКОВ

Схема запчастей Komatsu PC1250-8R - ГУСЕНИЧНАЯ РАМА, С RUSTЗАЩИТА SPRING, КОНЕЧНАЯ ЗАЩИТА КАТКОВ, ОПОРНЫЙ ЭЛЕМЕНТ ЛЕНИВЦА, ЛЕВ. (№-) ГУСЕНИЧНАЯ РАМА, С RUSTЗАЩИТА SPRING, КОНЕЧНАЯ ЗАЩИТА КАТКОВ
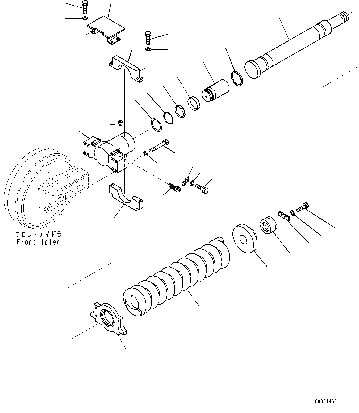
1
2
3
4
5
6
7
8
9
10
11
12
20
21
22
23
24
25
26
27
28
29
14
15
13
19
18
17
16
FIT
1:1
100%

Артикул

Название

Примечание

Количество

1

21N-30-37610

Yoke

2

21N-30-34120

Plunger

3

21N-30-14160

Packing

4

21N-30-14170

Ring

5

04070-00140

Ring

6

07155-01640

Ring, Wear

7

21N-30-14180

Seal

8

07959-20001

Valve

9

205-30-72170

Plate

10

01010-81225

Bolt

11

01643-31232

Washer

12

07043-70108

Plug

13

21N-30-32940

Guard

14

01010-81635

Bolt

15

01643-31645

Washer

16

21N-30-32950

Plate

17

21N-30-32960

Plate

18

01010-82060

Bolt

19

01643-32060

Washer

20

20X-46-11320

Bolt

21

01643-32460

Washer

22

21N-30-34131

Flange

23

21N-30-34141

Rod

24

21N-30-34180

Spring

25

21N-30-34160

Collar

26

21N-30-34170

Nut

27

209-30-65160

Lock

28

01010-81640

Bolt

29

01643-31645

Washer

Выбрано товаров: 29