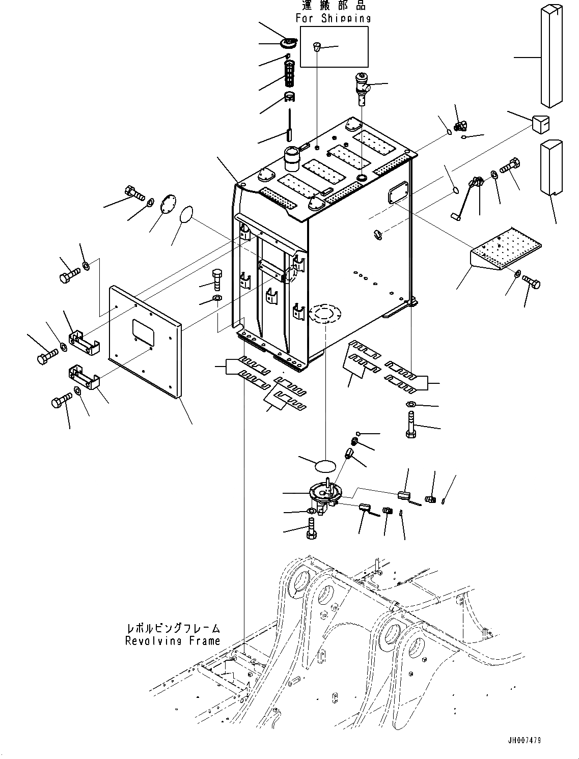
Запчасти Komatsu PC1250-8R ТОПЛИВН. БАК., (№8-) ТОПЛИВН. БАК.

Схема запчастей Komatsu PC1250-8R - ТОПЛИВН. БАК., (№8-) ТОПЛИВН. БАК.
45
43
44
45
42
42
21
25
27
26
24
20
23
25
22
7
9
8
10
40
41
29
30
34
35
36
28
35
34
36
18
15
17
16
48
31
32
33
46
47
39
38
37
11
13
14
12
19
1
2
4
3
6
49
5
50
FIT
1:1
100%

Артикул

Название

Примечание

Количество

1

21N-04-41910

Tank

|$1

22U-04-21241

Strainer Assembly

|$2

22U-04-21200

Float Assembly

2

22U-04-21210

Guide

3

20Y-04-21580

Cap

4

22U-04-21220

Float

5

07056-18425

Strainer

6

17A-04-41411

Cap

7

21N-04-41920

Flange

8

01010-81235

Bolt

9

01643-31232

Washer

10

07000-15200

O-ring

11

7861-93-5810

Sensor

12

07000-13050

O-ring

13

01010-80612

Bolt

14

01643-30623

Washer

15

195-04-31160

Cover

16

07000-12115

O-ring

17

01010-80820

Bolt

18

01602-20825

Washer

19

21T-04-31130

Vent Assembly

20

209-04-42150

Union

21

02896-11015

O-ring

22

21N-04-41232

Union

23

02896-11018

O-ring

24

07700-40460

Valve, Fuel Drain

25

07700-40661

Valve, Fuel Drain

26

8255-62-4590

Connector

27

02896-11012

O-ring

28

21N-54-41191

Cover

29

01010-81230

Bolt

30

175-54-34170

Washer

31

21N-54-42551

Bracket

32

01010-81225

Bolt

33

175-54-34170

Washer

34

21N-54-39990

Step

35

01010-81230

Bolt

36

01643-31232

Washer

37

02782-10422

Elbow

38

07002-12034

O-ring

39

02896-11012

O-ring

40

21N-04-41410

Bolt

41

01643-32460

Washer

42

21N-04-41290

Plate

43

01011-82015

Bolt

44

01643-32060

Washer

45

21N-04-41241

Plate

46

21N-04-41261

Sheet

47

21N-04-41271

Sheet

48

21N-04-41281

Sheet

49

09460-00000

Padlock

50

07049-01012

Plug

Выбрано товаров: 52