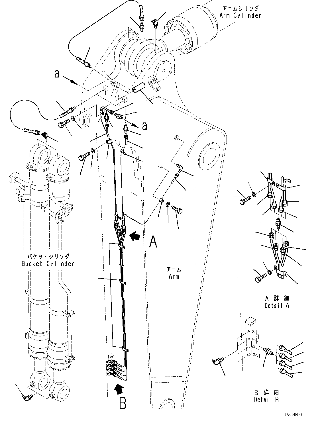
Запчасти Komatsu PC1250-8R РУКОЯТЬ, MM, УСИЛ. ТИП, СМАЗЫВАЮЩ. ЛИНИЯ (№-) РУКОЯТЬ, MM, УСИЛ. ТИП

Схема запчастей Komatsu PC1250-8R - РУКОЯТЬ, MM, УСИЛ. ТИП, СМАЗЫВАЮЩ. ЛИНИЯ (№-) РУКОЯТЬ, MM, УСИЛ. ТИП
6
21
13
5
23
12
7
26
21
22
19
17
6
22
20
19
19
14
11
15
13
27
13
9
10
8
20
18
22
21
3
2
2
3
16
1
7
6
4
25
20
5
24
4
6
1
23
14
FIT
1:1
100%

Артикул

Название

Примечание

Количество

1

21N-70-35161

Tube

2

21N-70-35171

Tube

3

21N-70-35181

Tube

4

21N-70-35191

Tube

5

21N-70-35361

Tube

6

21N-70-35371

Tube

7

21N-70-35382

Tube

8

195-979-5190

Collar

9

01010-81070

Bolt

10

01643-31032

Washer

11

205-70-51370

Hose

12

21N-70-15240

Hose

13

07214-51013

Connector

14

205-70-51390

Nipple

15

205-70-65780

Elbow

16

21N-70-35230

Nipple

17

07217-51013

Elbow

18

07020-00900

Fitting, Grease

19

04434-51010

Clip

20

04435-51010

Clip

21

01010-81020

Bolt

22

01643-31032

Washer

23

209-72-16110

Clamp

24

01010-80610

Bolt

25

01643-30623

Washer

26

07020-00675

Fitting, Grease

27

07020-00675

Fitting, Grease

Выбрано товаров: 27