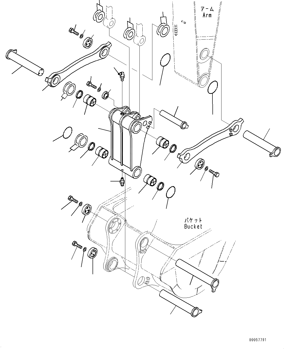
Запчасти Komatsu PC1250-8R СОЕДИНЕНИЕ КОВШАAGE, ДЛЯ MM РУКОЯТЬ (№-) СОЕДИНЕНИЕ КОВШАAGE, ДЛЯ MM РУКОЯТЬ

Схема запчастей Komatsu PC1250-8R - СОЕДИНЕНИЕ КОВШАAGE, ДЛЯ MM РУКОЯТЬ (№-) СОЕДИНЕНИЕ КОВШАAGE, ДЛЯ MM РУКОЯТЬ
32
1
27
3
4
29
6
28
9
30
30
13
14
15
16
21
17
25
26
31
26
7
23
24
22
5
5
2
2
32
6
10
12
11
2
5
8
5
2
19
20
18
FIT
1:1
100%

Артикул

Название

Примечание

Количество

|$0

21N-70-00412

Link Assembly

1

Link

2

21N-70-12170

Bushing

3

07020-00675

Fitting, Grease

4

07020-00000

Fitting, Grease

5

209-72-11261

Seal

6

21N-70-33221

Link

7

21N-72-11230

Shim, T=1.0mm

8

21N-72-11230

Shim, T=1.0mm

9

21N-70-33131

Pin

10

209-70-73180

Holder

11

01010-82460

Bolt

12

01643-32460

Washer

13

21N-70-33131

Pin

14

209-70-73180

Holder

15

01010-82460

Bolt

16

01643-32460

Washer

17

21N-70-33142

Pin

18

209-70-73180

Holder

19

01010-82460

Bolt

20

01643-32460

Washer

21

21N-70-33161

Pin

22

209-70-73180

Holder

23

01010-82460

Bolt

24

01643-32460

Washer

25

21N-70-32140

Pin

26

207-70-11340

Spacer, T=0.8mm

27

21N-70-33170

Stopper

28

01010-81645

Bolt

29

01643-31645

Washer

30

21N-70-13150

O-ring

31

21N-72-11230

Shim, T=1.0mm

32

07000-16215

O-ring

Выбрано товаров: 0