Запчасти Komatsu PC1250-8R РАБОЧЕЕ ОБОРУДОВАНИЕ, ДЛЯ ПРЯМАЯ ЛОПАТА CONFIGURATION, СТРЕЛА (№-) РАБОЧЕЕ ОБОРУДОВАНИЕ, ДЛЯ ПРЯМАЯ ЛОПАТА CONFIGURATION

Схема запчастей Komatsu PC1250-8R - РАБОЧЕЕ ОБОРУДОВАНИЕ, ДЛЯ ПРЯМАЯ ЛОПАТА CONFIGURATION, СТРЕЛА (№-) РАБОЧЕЕ ОБОРУДОВАНИЕ, ДЛЯ ПРЯМАЯ ЛОПАТА CONFIGURATION
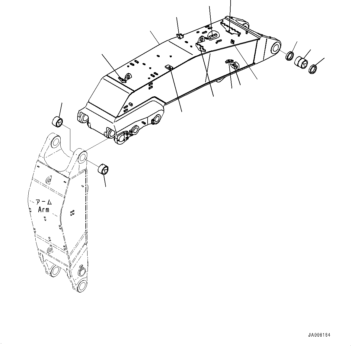
1
11
12
14
14
13
9
6
4
3
7
5
2
10
8
FIT
1:1
100%

Артикул

Название

Примечание

Количество

1

21N-72-31313

Boom

2

209-62-58740

Clamp,Welded

3

21N-62-13840

Bracket,Welded

4

21N-62-39211

Clamp,Welded

5

21N-62-39750

Clamp,Welded

6

21N-62-39790

Clamp,Welded

7

21N-62-39810

Clamp,Welded

8

21N-62-39831

Clamp,Welded

9

21N-62-39870

Clamp,Welded

10

21N-72-16150

Block,Welded

11

21N-70-31160

Bushing

12

21N-72-11190

Bushing

13

21N-72-11191

Bushing

14

209-72-11311

Seal

Выбрано товаров: 14