Запчасти Komatsu PC1250LC-7 NO. КЛАПАН (КЛАПАН И ФИЛЬТР) ГИДРАВЛИКА

Схема запчастей Komatsu PC1250LC-7 - NO. КЛАПАН (КЛАПАН И ФИЛЬТР) ГИДРАВЛИКА
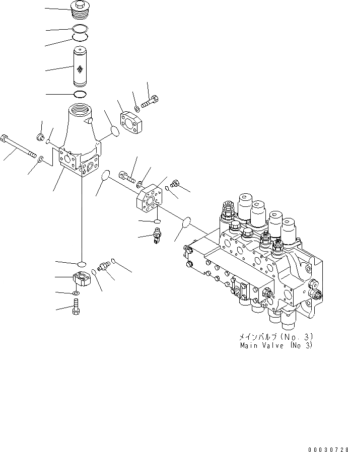
1
2
3
4
5
6
7
8
9
10
10
11
12
13
14
15
16
17
18
19
20
21
22
23
24
25
26
27
28
29
FIT
1:1
100%

Артикул

Название

Примечание

Количество

|$5

21N-62-31201

FILTER ASS'Y

1

CASE

2

21N-62-31221

ELEMENT

3

21N-62-31230

COVER

4

07000-12055

O-RING

5

07000-12070

O-RING

6

07001-02070

RING

7

07002-11423

O-RING

8

07040-11409

PLUG

9

21N-62-12210

FLANGE

10

07000-B3048

O-RING

11

01010-81455

BOLT

12

01643-31445

WASHER

13

21N-62-37140

FLANGE

14

07000-B3035

O-RING

15

01010-81050

BOLT

16

01643-31032

WASHER

17

01011-81470

BOLT

18

01643-31445

WASHER

19

02781-00315

UNION

20

02896-61009

O-RING

21

07002-62034

O-RING

22

21N-62-33251

FLANGE

23

01252-71440

BOLT

24

20D-14-11510

WASHER

25

07000-B3048

O-RING

26

07040-10807

PLUG

27

07002-10823

O-RING

28

7861-93-1650

SENSOR

28

07002-11823

O-RING

29

07002-11823

O-RING

Выбрано товаров: 0