Качественные детали и логистика
Оригинальные и аналоговые запчасти с доставкой по России, Казахстану и Беларуси
©2022 PartSell ООО "Система" ИНН 2463123282 ОГРН 1212400004838
Центральный офис: г. Красноярск, Академика Киренского, д.87, пом.4
Телефон: 8 (800) 777-65-74 Email: zakaz@partsell.ru
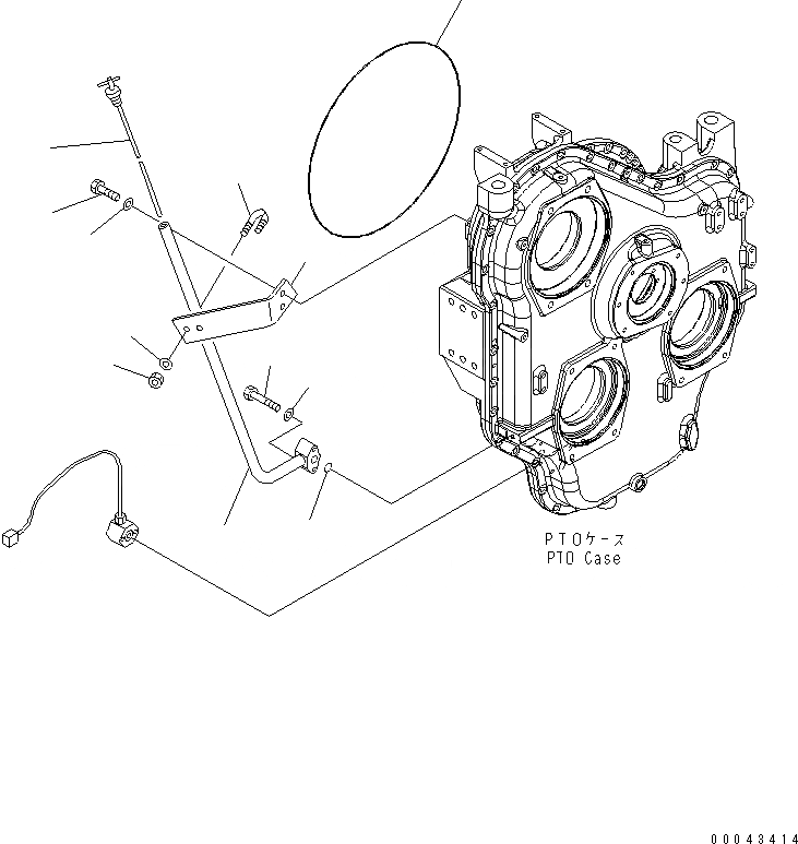
МЕХ-М ОТБОРА МОЩНОСТИ (МАСЛ. ЩУП)(№-)
№
Артикул
Название
Примечание
Количество
1
21N-38-32151
TUBE
2
07000-E3028
O-RING
3
01010-81065
BOLT
4
01643-31032
WASHER
5
21N-38-31161
GAUGE
6
21N-38-32161
BRACKET
7
01010-81030
8
9
07283-22746
CLIP
10
01599-01011
NUT
11
12
07000-E5500
Выбрано товаров: 0