Запчасти Komatsu PC1250LC-8 NO. НАСОС (СОЕДИНИТ. ЧАСТИ)(№-8) ГИДРАВЛИКА

Схема запчастей Komatsu PC1250LC-8 - NO. НАСОС (СОЕДИНИТ. ЧАСТИ)(№-8) ГИДРАВЛИКА
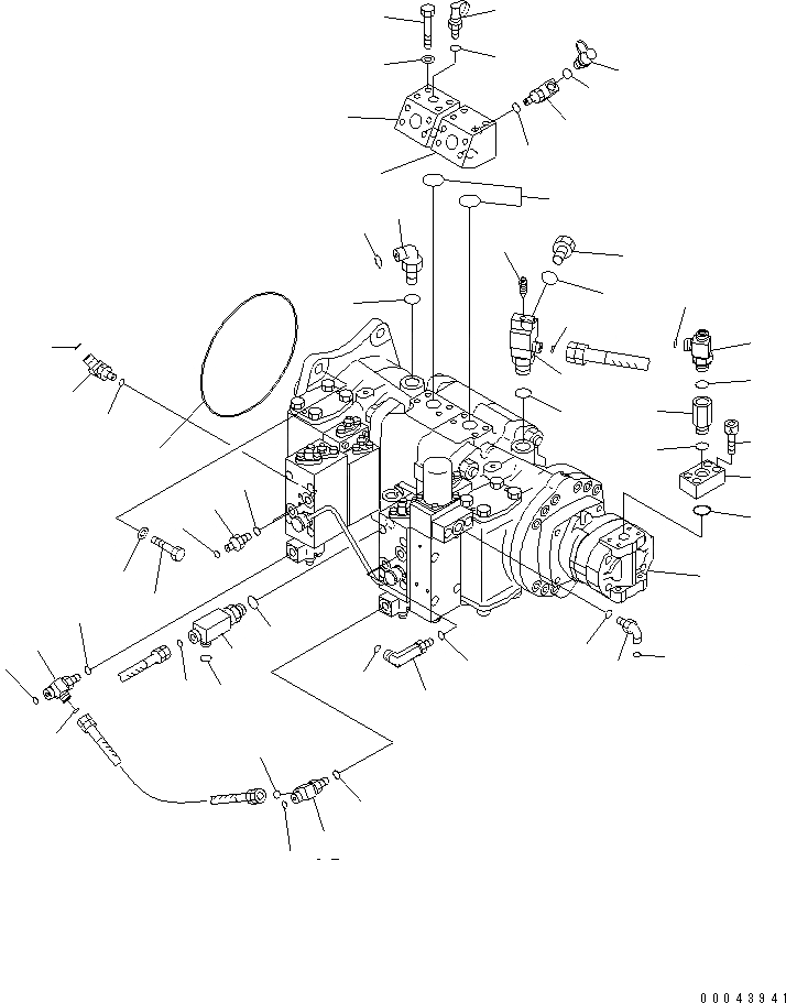
1
2
3
4
5
6
7
8
9
10
10
11
11
12
13
14
15
16
17
18
19
19
20
21
22
23
24
25
26
27
28
29
30
31
32
32
33
33
34
34
34
34
35
36
37
38
39
40
41
42
43
44
45
46
47
48
FIT
1:1
100%

Артикул

Название

Примечание

Количество

1

708-2L-00680

PUMP ASS'Y

2

07000-E5230

O-RING

3

01010-81650

BOLT

4

01643-31645

WASHER

5

21N-62-31641

BLOCK

6

21N-62-31540

BLOCK

7

07000-B3035

O-RING

8

01010-81090

BOLT

9

01643-31032

WASHER

10

209-62-61310

NIPPLE ASS'Y

11

209-62-61330

O-RING

12

208-62-61140

ELBOW

13

209-62-61330

O-RING

14

02782-10628

ELBOW

15

07002-12434

O-RING

16

02896-11018

O-RING

17

21N-64-36970

TEE

18

07040-12412

PLUG

19

07002-12434

O-RING

20

02896-11009

O-RING

21

20B-27-11210

BLEEDER

22

02782-10312

ELBOW

23

07002-11423

O-RING

24

02896-11009

O-RING

25

11Y-62-12520

NIPPLE

26

07002-11423

O-RING

27

02896-11009

O-RING

28

21N-64-36710

TEE

29

07002-12034

O-RING

30

02896-11009

O-RING

31

02896-11015

O-RING

32

21N-64-36680

TEE

33

07002-11423

O-RING

34

02896-11009

O-RING

35

02782-10311

ELBOW

36

07002-21423

O-RING

37

02896-21009

O-RING

38

21N-64-36410

ELBOW

39

07002-11023

O-RING

40

02896-11009

O-RING

41

21N-62-31920

FLANGE

42

07000-B3030

O-RING

43

01252-70835

BOLT

44

21J-62-18340

JOINT

45

07002-62034

O-RING

46

21N-64-36690

TEE

47

07002-62034

O-RING

48

02896-61012

O-RING

Выбрано товаров: 48