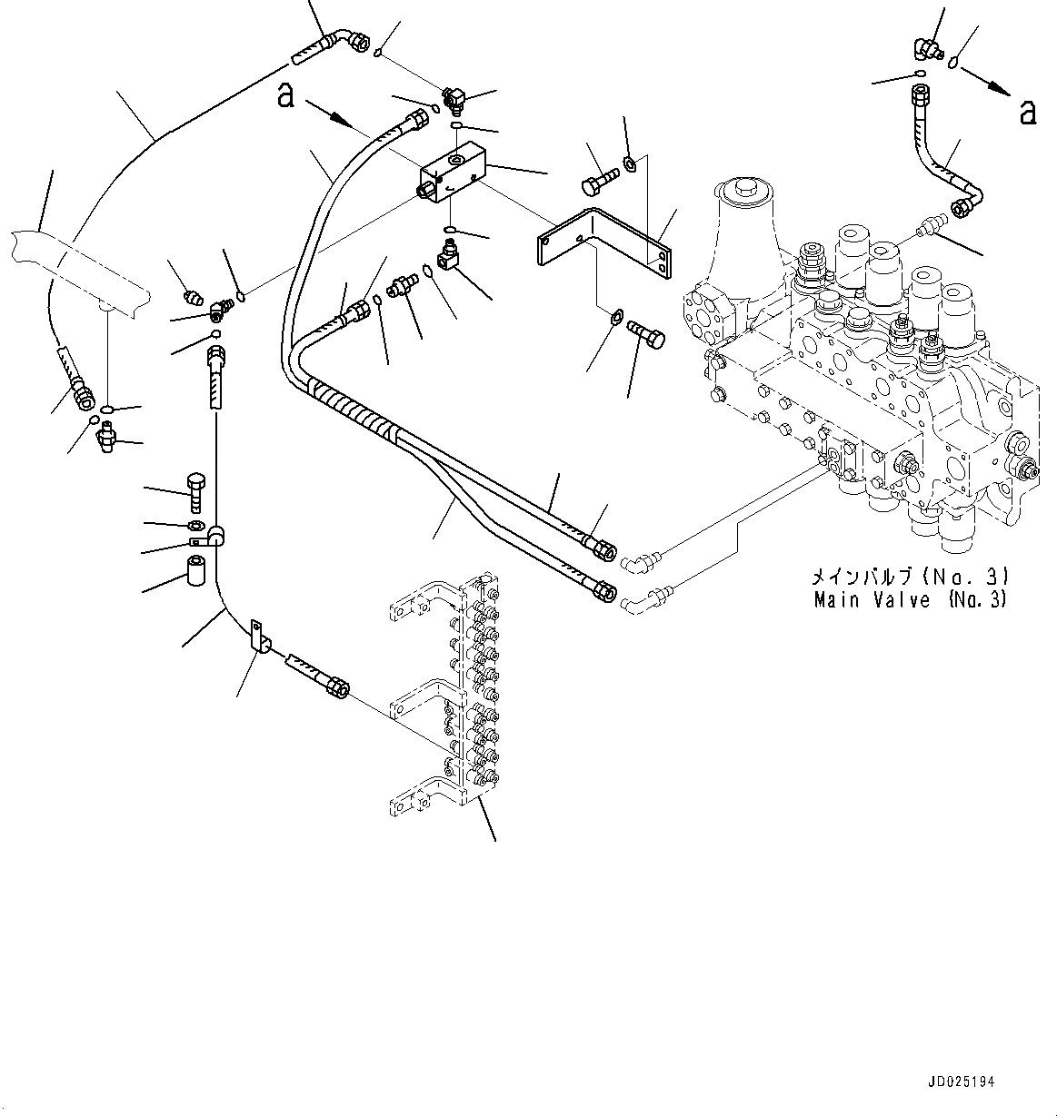
Запчасти Komatsu PC1250LC-8 РАСПРЕДЕЛИТ. КЛАПАН ТРУБЫ, ГЛАВН. КЛАПАН ТРУБЫ (№8-) РАСПРЕДЕЛИТ. КЛАПАН ТРУБЫ

Схема запчастей Komatsu PC1250LC-8 - РАСПРЕДЕЛИТ. КЛАПАН ТРУБЫ, ГЛАВН. КЛАПАН ТРУБЫ (№8-) РАСПРЕДЕЛИТ. КЛАПАН ТРУБЫ
19
3
1
2
4
5
7
8
9
10
11
12
13
14
15
16
17
18
19
20
21
30
23
24
25
26
27
29
28
31
32
33
34
26
27
29
6
35
30
22
32
37
38
36
FIT
1:1
100%

Артикул

Название

Примечание

Количество

1

21N-60-31190

Valve Assembly

2

21N-62-36510

Bracket

3

01010-81025

Bolt

4

01643-31032

Washer

5

02782-10311

Elbow

6

07002-11423

O-ring

7

02896-11009

O-ring

8

21N-64-36420

Elbow

9

07002-11423

O-ring

10

02896-11009

O-ring

11

07042-30108

Plug

12

20F-61-12460

Elbow

13

07002-11423

O-ring

14

21N-64-36580

Union

15

07002-11423

O-ring

16

02896-11009

O-ring

17

21W-62-45140

Elbow

18

07002-11423

O-ring

19

02896-11009

O-ring

20

02782-10315

Elbow

21

07002-12034

O-ring

22

02896-11009

O-ring

23

01010-81230

Bolt

24

01643-31232

Washer

25

02778-003A3

Hose, Face Seal Type

26

02777-00309

Hose, Face Seal Type

27

02777-00308

Hose, Face Seal Type

28

02761-003A5

Hose, Face Seal Type

29

20Y-62-22820

Band, Blue

30

20Y-62-22790

Band, Red

31

02760-00312

Hose, Face Seal Type

32

04434-51512

Clip

33

01010-81275

Bolt

34

01643-31232

Washer

35

195-979-5190

Collar

36

21N-62-36611

Joint

37

21N-62-41361

Tube

38

02781-00315

Union

Выбрано товаров: 38