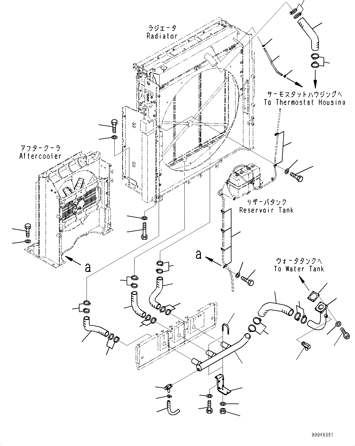
Запчасти Komatsu PC1250LC-8 СИСТЕМА ОХЛАЖДЕНИЯ, ЭЛЕМЕНТЫ КРЕПЛЕНИЯ И БАК ТРУБЫ (№8-) СИСТЕМА ОХЛАЖДЕНИЯ, АВТОМАТИЧ. КОНДИЦ. ВОЗДУХА

Схема запчастей Komatsu PC1250LC-8 - СИСТЕМА ОХЛАЖДЕНИЯ, ЭЛЕМЕНТЫ КРЕПЛЕНИЯ И БАК ТРУБЫ (№8-) СИСТЕМА ОХЛАЖДЕНИЯ, АВТОМАТИЧ. КОНДИЦ. ВОЗДУХА
10
11
9
7
8
37
6
1
3
38
38
36
35
36
3
2
4
5
32
21
22
23
19
24
25
20
18
16
17
18
12
13
14
15
33
34
31
27
31
30
28
29
29
26
27
FIT
1:1
100%

Артикул

Название

Примечание

Количество

1

01010-82065

Bolt

2

01010-82090

Bolt

3

01643-32060

Washer

4

01010-82065

Bolt

5

01643-32060

Washer

6

04434-51210

Clip

7

01010-81020

Bolt

8

01643-31032

Washer

9

04435-51212

Clip

10

01010-81225

Bolt

11

01643-31232

Washer

12

21N-03-42841

Tube

13

195-03-41481

Gasket

14

01010-81045

Bolt

15

01643-31032

Washer

16

202-98-11340

Joint

17

21N-03-41731

Hose

18

07289-00095

Clamp

19

209-03-42351

Tube

20

07283-37663

Clip

21

01597-01009

Nut

22

01643-31032

Washer

23

21N-03-42360

Bracket

24

01010-81230

Bolt

25

01643-31232

Washer

26

209-03-42411

Hose

27

07289-00070

Clamp

28

209-03-42421

Hose

29

07289-00070

Clamp

30

209-03-42431

Hose

31

07289-00070

Clamp

32

07730-50004

Valve, Drain

33

07270-31525

Tube

34

07285-00180

Clip

35

21N-03-41741

Hose

36

07289-00095

Clamp

37

07260-20945

Hose

38

07281-00197

Clamp

Выбрано товаров: 38