Запчасти Komatsu PC1250LC-8 ОСНОВН. КОНСТРУКЦИЯ, ПОЛ, КЛАПАН, ЛЕВ. (№8-) ОСНОВН. КОНСТРУКЦИЯ, VOLT POWER ВЫПУСКН., С VHMS, ВЫС.-КРЕПЛЕНИЕ КАБИНЫ, MM

Схема запчастей Komatsu PC1250LC-8 - ОСНОВН. КОНСТРУКЦИЯ, ПОЛ, КЛАПАН, ЛЕВ. (№8-) ОСНОВН. КОНСТРУКЦИЯ, VOLT POWER ВЫПУСКН., С VHMS, ВЫС.-КРЕПЛЕНИЕ КАБИНЫ, MM
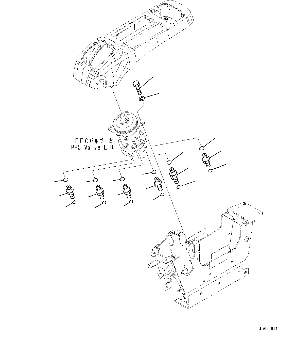
10
10
11
9
6
4
5
9
7
8
1
11
10
10
11
9
11
2
3
9
FIT
1:1
100%

Артикул

Название

Примечание

Количество

1

01010-80820

Bolt

2

01643-30823

Washer

3

21W-62-42410

Nipple

4

02896-11009

O-ring

5

07002-11823

O-ring

6

02781-00313

Union

7

02896-11009

O-ring

8

07002-11823

O-ring

9

11Y-62-12520

Union

10

02896-11009

O-ring

11

07002-11423

O-ring

Выбрано товаров: 11