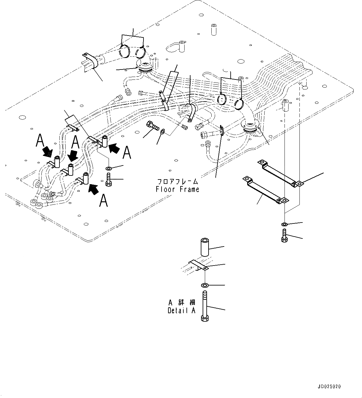
Запчасти Komatsu PC1250LC-8 ОСНОВН. КОНСТРУКЦИЯ, ПОЛ ТРУБЫ (№8-) ОСНОВН. КОНСТРУКЦИЯ, VOLT POWER ВЫПУСКН., С VHMS, ВЫС.-КРЕПЛЕНИЕ КАБИНЫ, MM

Схема запчастей Komatsu PC1250LC-8 - ОСНОВН. КОНСТРУКЦИЯ, ПОЛ ТРУБЫ (№8-) ОСНОВН. КОНСТРУКЦИЯ, VOLT POWER ВЫПУСКН., С VHMS, ВЫС.-КРЕПЛЕНИЕ КАБИНЫ, MM
10
1
2
5
5
1
4
3
9
9
4
11
7
8
6
6
16
13
12
15
14
FIT
1:1
100%

Артикул

Название

Примечание

Количество

1

20Y-62-17930

Clip

2

01010-81020

Bolt

3

01643-31032

Washer

4

08034-20536

Band

5

08034-20536

Band

6

21N-62-35620

Clamp

7

01010-81016

Bolt

8

01643-31032

Washer

9

04435-51510

Clip

10

01010-81016

Bolt

11

01643-31032

Washer

12

04435-51510

Clip

13

195-979-5190

Collar

14

01010-81065

Bolt

15

01643-31032

Washer

16

08034-20536

Band

Выбрано товаров: 16