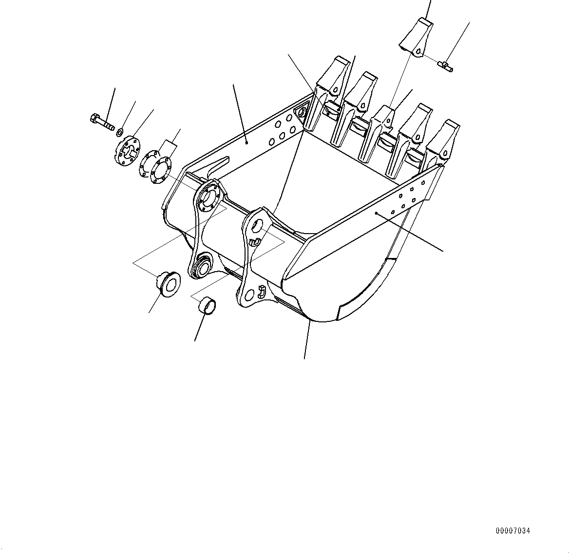
Запчасти Komatsu PC1250LC-8 КОВШ (№8-) КОВШ, .M, ГОРИЗОНТАЛЬН. ПАЛЕЦ

Схема запчастей Komatsu PC1250LC-8 - КОВШ (№8-) КОВШ, .M, ГОРИЗОНТАЛЬН. ПАЛЕЦ
4
5
1
6
3
12
13
14
9
11
10
7
8
2
FIT
1:1
100%

Артикул

Название

Примечание

Количество

1

21N-70-34112

Bucket

2

21N-70-34D11

Plate,Welded

3

21N-70-34150

Plate,Welded

4

21N-70-34161

Plate,Welded

5

21N-70-34171

Plate,Welded

6

21N-70-14140

Adapter,Welded

7

21N-72-14290

Point

8

21N-72-14331

Pin Assembly

9

21N-70-14310

Cover

10

01010-83085

Bolt

11

01643-33080

Washer

12

21N-70-34180

Bushing

13

21N-70-14220

Bushing

14

21N-70-00060

Shim Assembly

14

Shim

14

Shim

Выбрано товаров: 16