Запчасти Komatsu PC1250SE-7 ОСНОВН. КЛАПАН (NO. КЛАПАН И СОЕДИНИТ. ЧАСТИ) ГИДРАВЛИКА

Схема запчастей Komatsu PC1250SE-7 - ОСНОВН. КЛАПАН (NO. КЛАПАН И СОЕДИНИТ. ЧАСТИ) ГИДРАВЛИКА
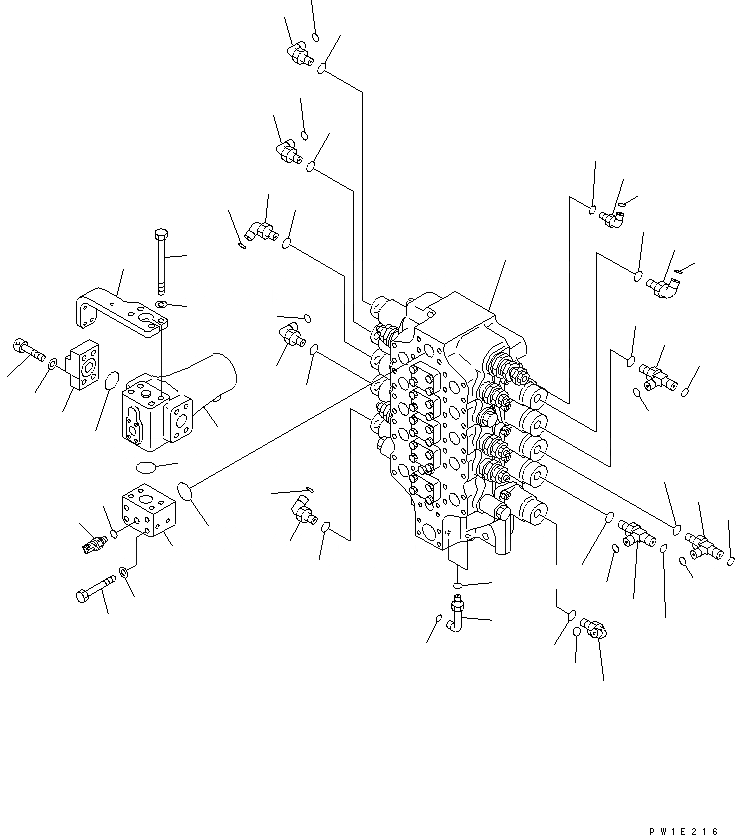
1
2
3
4
5
6
7
8
9
10
11
12
13
14
15
15
16
17
18
19
20
21
21
22
23
24
25
26
27
27
28
29
30
31
32
33
34
35
36
37
38
39
40
41
42
43
44
45
46
47
48
49
50
51
52
FIT
1:1
100%

Артикул

Название

Примечание

Количество

1

709-15-94000

CONTROL VALVE

2

21N-62-31201

FILTER ASS'Y,(SEE FIG. Y1851-01A0)

3

21N-62-37121

BLOCK

4

07000-B3048

O-RING

5

01011-81415

BOLT

6

01643-31445

WASHER

7

07000-B3048

O-RING

8

02782-10315

ELBOW

9

02896-11009

O-RING

10

07002-12034

O-RING

11

02782-10315

ELBOW

12

02896-11009

O-RING

13

07002-12034

O-RING

14

21N-64-37150

TEE

15

02896-11009

O-RING

16

07002-12034

O-RING

17

02782-10315

ELBOW

18

02896-11009

O-RING

19

07002-12034

O-RING

20

21N-64-37140

TEE

21

02896-11009

O-RING

22

07002-12034

O-RING

23

02782-10315

ELBOW

24

02896-11009

O-RING

25

07002-12034

O-RING

26

19M-61-35140

TEE

27

02896-11009

O-RING

28

07002-12034

O-RING

29

02782-10315

ELBOW

30

02896-11009

O-RING

31

07002-12034

O-RING

32

21N-64-36440

ELBOW

33

02896-11009

O-RING

34

07002-12034

O-RING

35

21N-64-36440

ELBOW

36

02896-11009

O-RING

37

07002-12034

O-RING

38

21W-62-42490

ELBOW

39

02896-11009

O-RING

40

07002-11423

O-RING

41

02782-10312

ELBOW

42

02896-11009

O-RING

43

07002-11423

O-RING

44

21N-62-33190

FLANGE

45

07000-B3048

O-RING

46

01252-71460

BOLT

47

01643-31445

WASHER

48

21N-62-33271

BRACKET

49

01011-81490

BOLT

50

01643-31445

WASHER

51

7861-93-1650

SENSOR

|51

07002-11823

O-RING

52

07002-11823

O-RING

Выбрано товаров: 0