Запчасти Komatsu PC1250SP-7 ГИДР. БАК. (ПЕРЕГОРОДКА.) ГИДРАВЛИКА

Схема запчастей Komatsu PC1250SP-7 - ГИДР. БАК. (ПЕРЕГОРОДКА.) ГИДРАВЛИКА
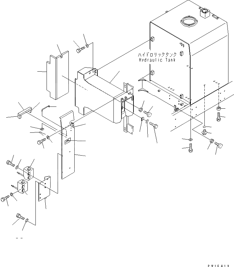
1
1
2
2
3
3
4
5
6
7
8
9
10
11
12
13
14
15
16
17
18
19
20
21
22
23
24
25
26
27
28
28
29
30
31
32
33
34
FIT
1:1
100%

Артикул

Название

Примечание

Количество

1

21T-06-11350

WASHER TANK ASS'Y

2

01010-80616

BOLT

3

01643-30623

WASHER

4

21N-53-32170

COVER

5

198-54-41982

LOCK ASS'Y (WELDED)

6

21K-54-22460

HINGE (WELDED)

7

21N-54-32430

SHEET

8

21N-54-32960

SHEET

9

21N-54-32970

SHEET

10

01010-81230

BOLT

11

01643-31232

WASHER

12

21N-54-39111

CASE

13

21N-53-32180

SHEET

14

21N-54-32351

SHEET

15

209-54-63260

BRACKET

16

01010-81230

BOLT

17

01643-31232

WASHER

18

20Y-54-11611

STOPPER

19

01580-11008

NUT

20

21N-54-31331

BRACKET

21

01010-81225

BOLT

22

01643-31232

WASHER

23

175-43-41261

ROD

24

01643-30623

WASHER

25

04050-11612

PIN

26

01010-81230

BOLT

27

175-54-34170

WASHER

28

01010-82065

BOLT

29

21T-01-11130

WASHER

30

01643-32060

WASHER

31

07044-12412

PLUG

32

07002-12434

O-RING

33

20Y-54-11611

STOPPER

34

01580-11008

NUT

Выбрано товаров: 34