Качественные детали и логистика
Оригинальные и аналоговые запчасти с доставкой по России, Казахстану и Беларуси
©2022 PartSell ООО "Система" ИНН 2463123282 ОГРН 1212400004838
Центральный офис: г. Красноярск, Академика Киренского, д.87, пом.4
Телефон: 8 (800) 777-65-74 Email: zakaz@partsell.ru
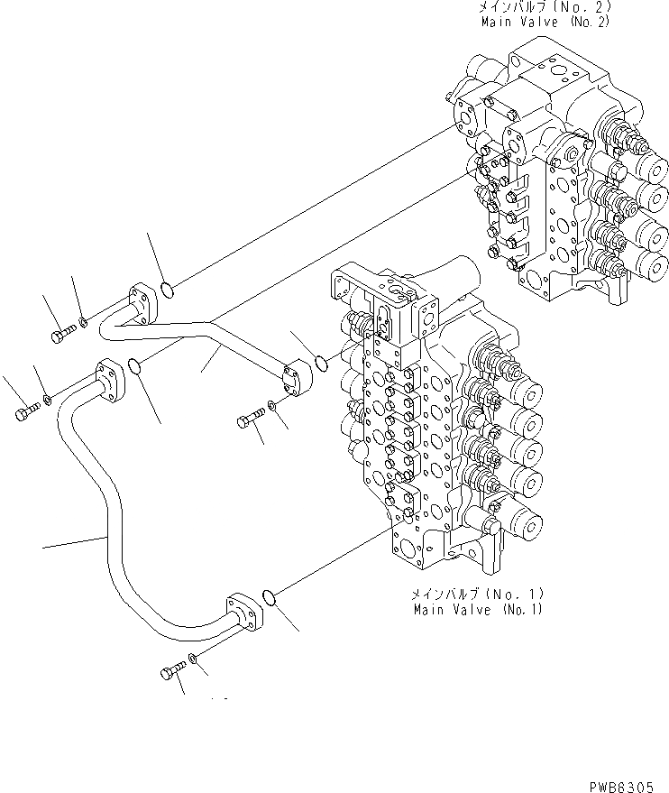
ПРЯМ. ХОД ТРУБЫ
№
Артикул
Название
Примечание
Количество
1
21N-62-32771
TUBE
2
01010-81060
BOLT
3
01643-31032
WASHER
4
07000-B3035
O-RING
5
01010-81250
6
01643-31232
7
07000-B3038
8
209-62-52120
9
10
11
Выбрано товаров: 0