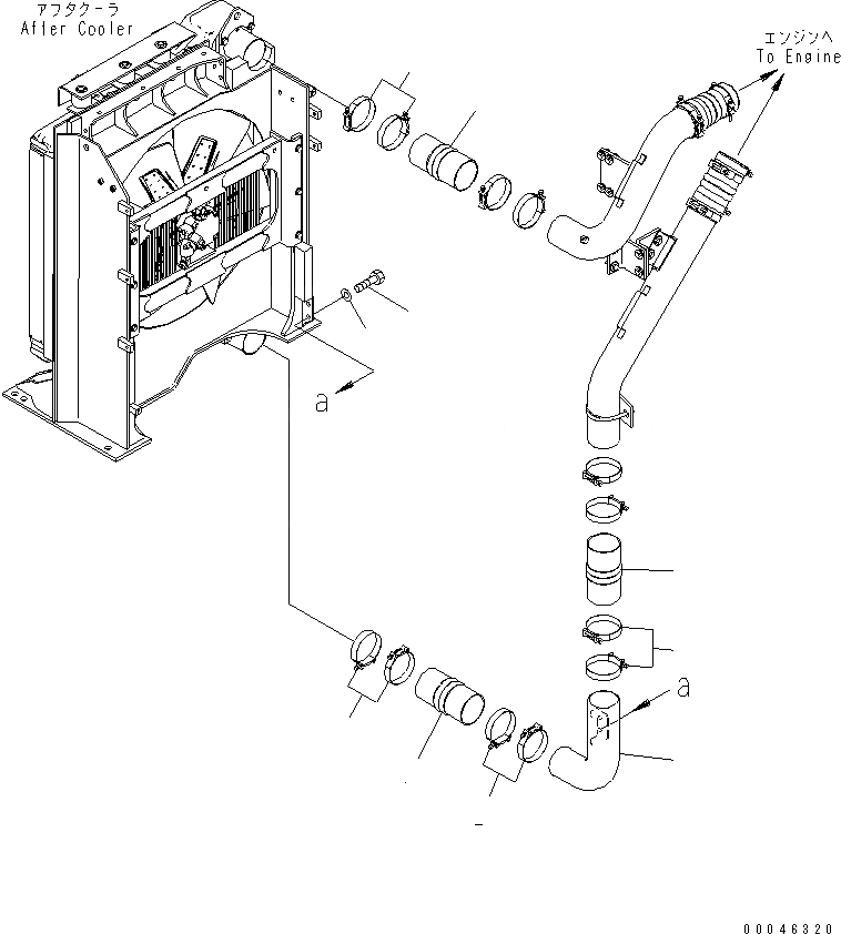
Запчасти Komatsu PC1250SP-8 ОХЛАЖД-Е (ПОСЛЕОХЛАДИТЕЛЬ) (ВОЗДУХОВОД)(№-) СИСТЕМА ОХЛАЖДЕНИЯ

Схема запчастей Komatsu PC1250SP-8 - ОХЛАЖД-Е (ПОСЛЕОХЛАДИТЕЛЬ) (ВОЗДУХОВОД)(№-) СИСТЕМА ОХЛАЖДЕНИЯ
1
2
2
3
4
5
6
7
8
9
FIT
1:1
100%

Артикул

Название

Примечание

Количество

1

209-03-41711

HOSE

2

208-62-73910

CLAMP

3

21N-03-42540

TUBE

4

01010-81230

BOLT

5

01643-31232

WASHER

6

209-03-41711

HOSE

7

208-62-73910

CLAMP

8

209-03-41711

HOSE

9

208-62-73910

CLAMP

Выбрано товаров: 9