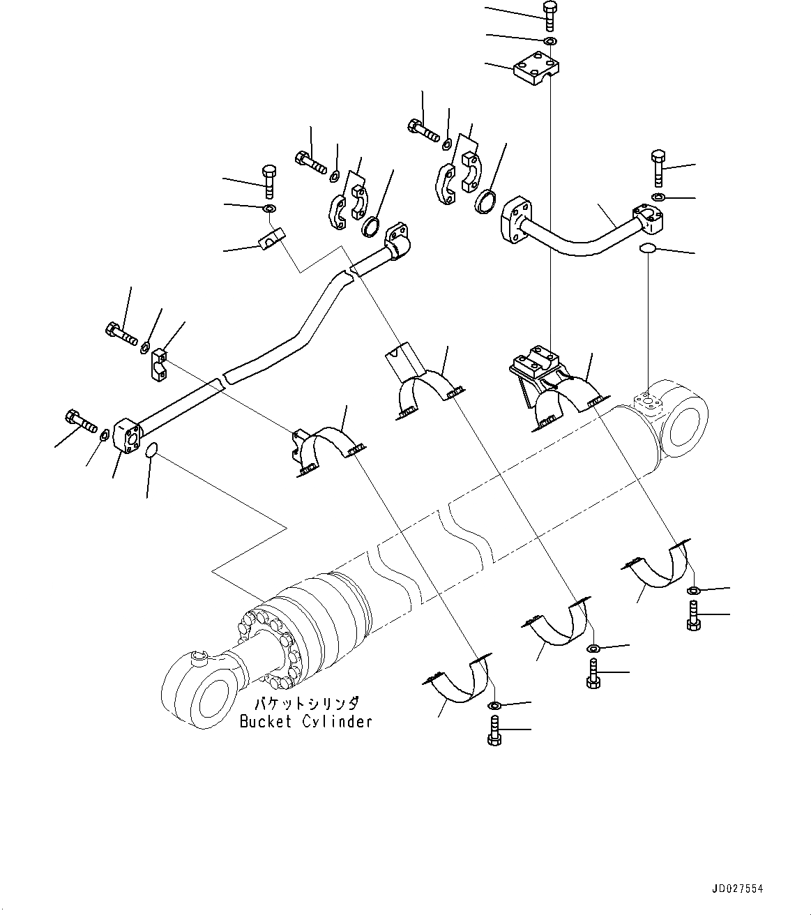
Запчасти Komatsu PC1250SP-8 ЦИЛИНДР КОВША, ПРАВ. (/) (№8-) ЦИЛИНДР КОВША, ДЛЯ MM РУКОЯТЬ, SE, SP

Схема запчастей Komatsu PC1250SP-8 - ЦИЛИНДР КОВША, ПРАВ. (/) (№8-) ЦИЛИНДР КОВША, ДЛЯ MM РУКОЯТЬ, SE, SP
23
22
20
4
12
11
10
18
9
5
3
19
1
16
12
13
15
14
21
10
11
11
10
6
6
6
5
3
4
2
8
7
18
19
18
19
17
FIT
1:1
100%

Артикул

Название

Примечание

Количество

|$0

707-01-0J782

Cylinder Assembly

|$1

707-01-0J780

Cylinder Assembly

1

707-86-13370

Tube

2

21N-63-72880

Tube

3

07372-21060

Bolt

4

01643-51032

Washer

5

07000-13035

O-ring, (Kit : K09, K10)

6

707-88-26160

Band

7

707-88-28330

Bracket

8

707-88-28340

Bracket

9

707-88-28930

Bracket

10

07372-21245

Bolt

11

01643-51232

Washer

12

707-88-10150

Clamp

13

707-88-28940

Seat

14

01010-81655

Bolt

15

01643-51645

Washer

16

07371-51260

Flange, Split

17

707-88-33050

Cap

18

01010-81245

Bolt

19

01643-31232

Washer

20

07371-51470

Flange, Split

21

707-88-33060

Cap

22

01010-81455

Bolt

23

01643-31445

Washer, Flat

Выбрано товаров: 25