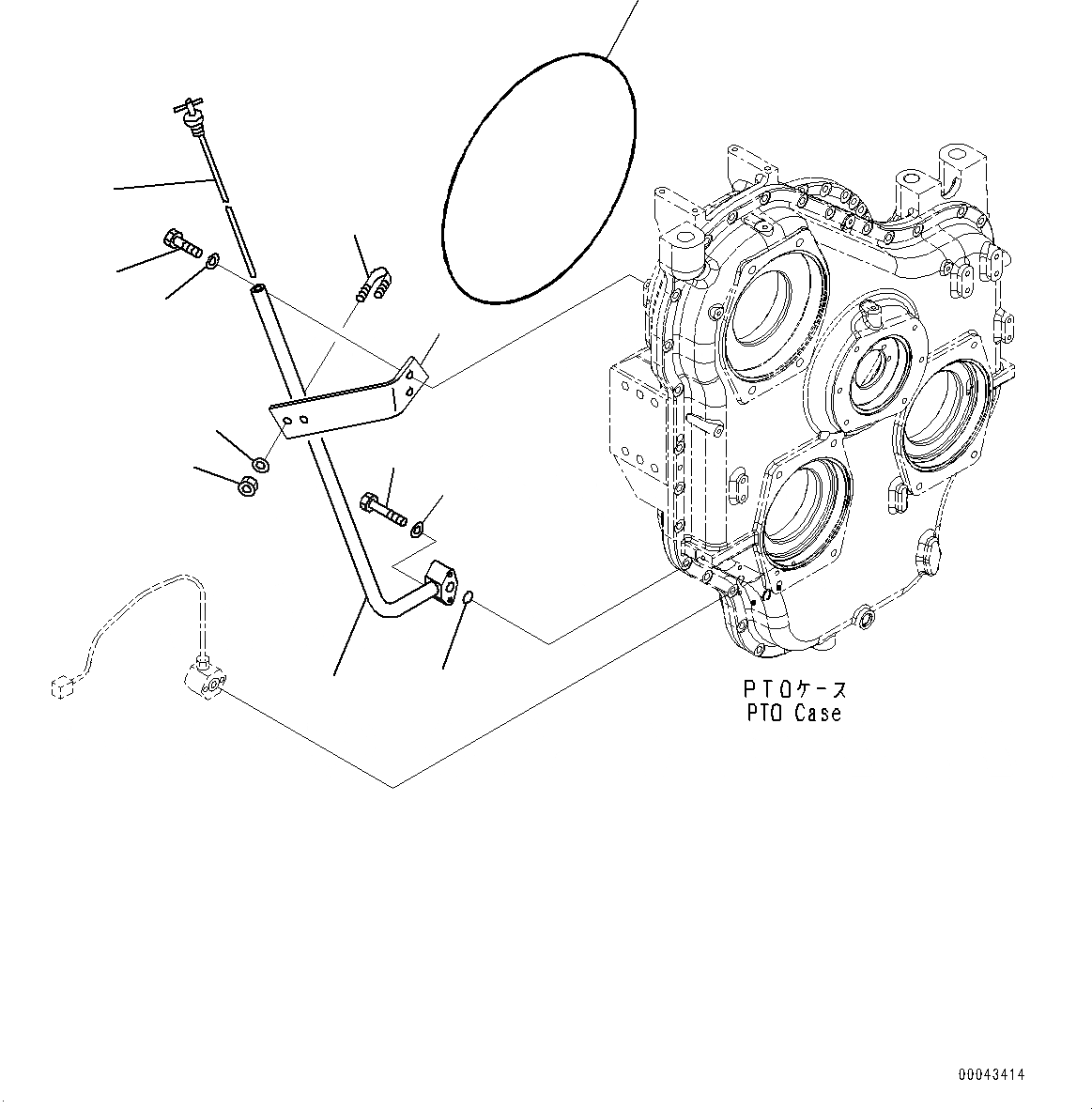
Запчасти Komatsu PC1250SP-8 POWER TAKEOFF, МАСЛ. ЩУП (№8-) POWER TAKEOFF, VHMS

Схема запчастей Komatsu PC1250SP-8 - POWER TAKEOFF, МАСЛ. ЩУП (№8-) POWER TAKEOFF, VHMS
3
4
2
6
12
10
8
9
7
5
1
11
FIT
1:1
100%

Артикул

Название

Примечание

Количество

1

21N-38-32151

Tube

2

07000-E3028

O-ring

3

01010-81065

Bolt

4

01643-31032

Washer

5

21N-38-31161

Gauge

6

21N-38-32161

Bracket

7

01010-81030

Bolt

8

01643-31032

Washer

9

07283-22746

Clip

10

01599-01011

Nut

11

01643-31032

Washer

12

07000-E5500

O-ring

Выбрано товаров: 12