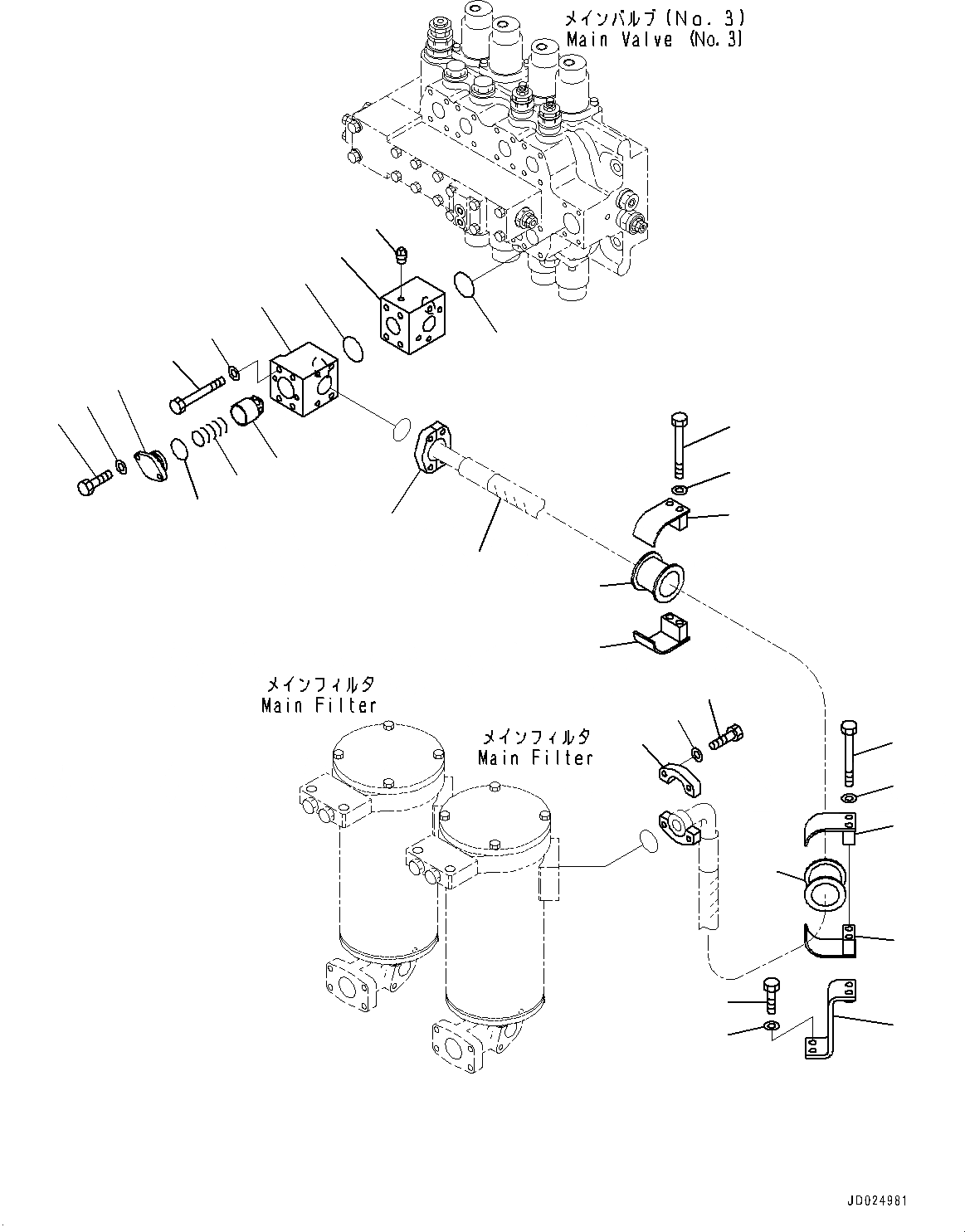
Запчасти Komatsu PC1250SP-8 ВОЗВРАТ. ТРУБЫ, NO. КЛАПАН (№8-) ВОЗВРАТ. ТРУБЫ

Схема запчастей Komatsu PC1250SP-8 - ВОЗВРАТ. ТРУБЫ, NO. КЛАПАН (№8-) ВОЗВРАТ. ТРУБЫ
18
22
20
21
17
1
23
24
22
14
17
17
21
18
17
16
15
19
11
8
4
5
7
6
9
12
13
10
3
2
25
FIT
1:1
100%

Артикул

Название

Примечание

Количество

1

21N-62-37330

Block

2

07000-B2055

O-ring

2

21N-60-12401

Valve Assembly

3

Block

4

209-60-52120

Poppet

5

706-77-72250

Spring

6

21N-60-12420

Flange

7

07000-13042

O-ring

8

01010-81030

Bolt

9

01643-31032

Washer

10

07000-B2060

O-ring

11

07042-30108

Plug

12

700-85-11120

Bolt

13

01643-31232

Washer

14

21N-62-37380

Bracket

15

01010-81230

Bolt

16

01643-31232

Washer

17

209-62-78930

Clamp

18

07095-02062

Cushion

19

01011-81215

Bolt

20

01011-81210

Bolt

21

01643-31232

Washer

22

07371-32076

Flange, Split

23

07372-21240

Bolt

24

01643-51232

Washer

25

07298-02025

Hose, Flange Type

Выбрано товаров: 26