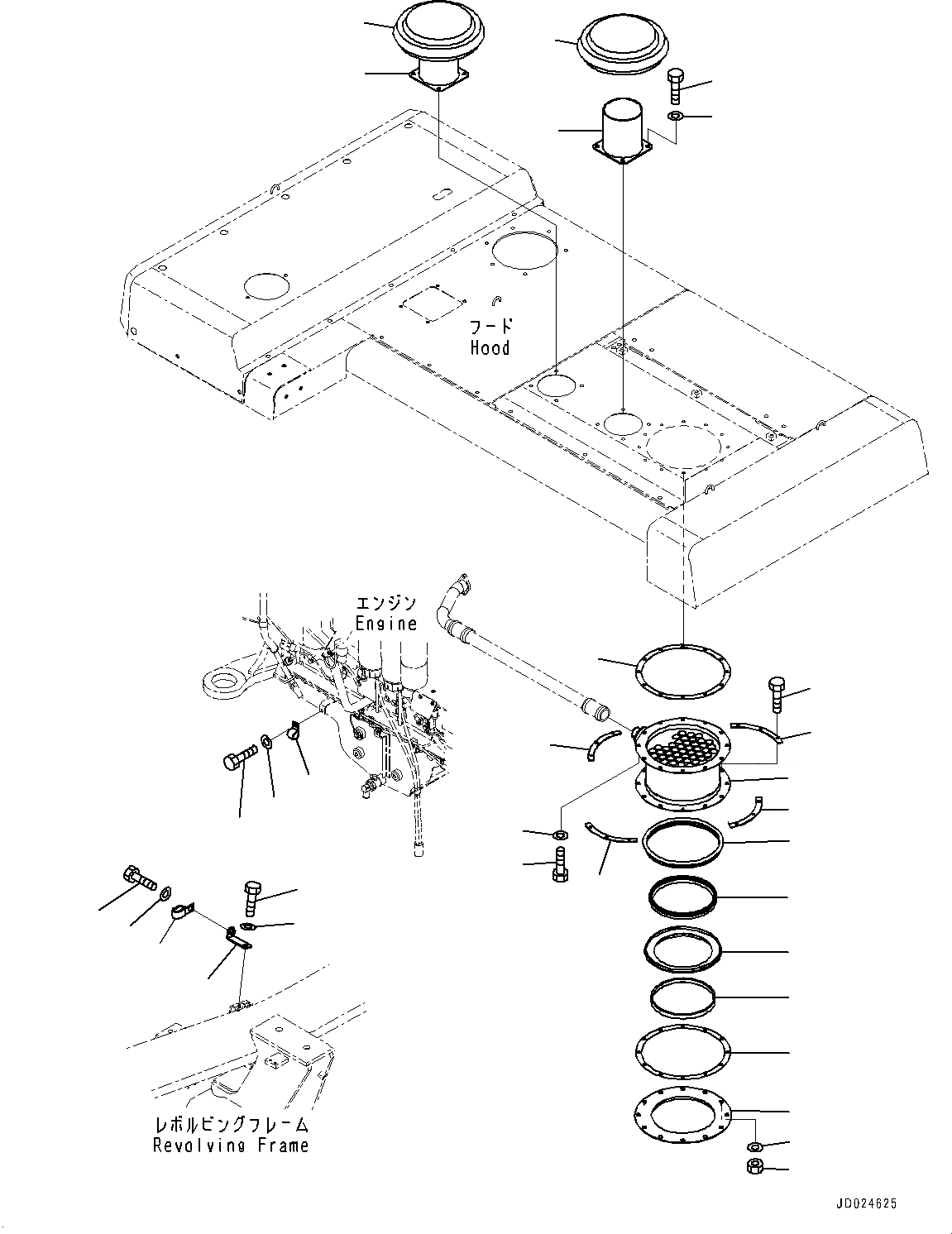
Запчасти Komatsu PC1250SP-8 ВЫХЛОПНАЯ ТРУБА, ПРЕФИЛЬТР (№8-) ВЫХЛОПНАЯ ТРУБА

Схема запчастей Komatsu PC1250SP-8 - ВЫХЛОПНАЯ ТРУБА, ПРЕФИЛЬТР (№8-) ВЫХЛОПНАЯ ТРУБА
15
16
17
18
18
15
1
2
4
8
9
14
8
8
6
12
13
7
5
3
11
10
8
19
20
21
22
23
24
25
26
27
FIT
1:1
100%

Артикул

Название

Примечание

Количество

1

600-183-7552

Air Cleaner

2

21N-01-37371

Gasket

3

01010-81025

Bolt

4

01643-31032

Washer

5

21N-01-37272

Cover

6

21N-01-37350

Seal

7

21N-01-37371

Gasket

8

21N-01-37280

Bracket

9

01010-61025

Bolt

10

01580-11008

Nut

11

203-54-56970

Washer

12

21N-01-37340

Cover

13

21N-01-37360

Sheet

14

21N-01-37261

Seal

15

21N-01-37170

Cover

16

01010-81225

Bolt

17

01643-31232

Washer

18

600-181-3960

Cap

19

21N-01-41140

Bracket

20

01010-81230

Bolt

21

01643-31232

Washer

22

04435-51512

Clip

23

01010-81225

Bolt

24

01643-31232

Washer

25

04434-52511

Clip

26

01010-81020

Bolt

27

01643-31032

Washer

Выбрано товаров: 0