Запчасти Komatsu PC1250SP-8 ОСНОВН. КОНСТРУКЦИЯ, ПОЛ, КОНСОЛЬ, ЛЕВ. (/) (№8-) ОСНОВН. КОНСТРУКЦИЯ, С AM-FM РАДИО ДЛЯ АЗИИ, VHMS

Схема запчастей Komatsu PC1250SP-8 - ОСНОВН. КОНСТРУКЦИЯ, ПОЛ, КОНСОЛЬ, ЛЕВ. (/) (№8-) ОСНОВН. КОНСТРУКЦИЯ, С AM-FM РАДИО ДЛЯ АЗИИ, VHMS
10
9
8
3
1
7
9
2
6
3
10
12
4
13
8
10
5
11
15
17
16
18
11
11
22
23
14
20
21
19
FIT
1:1
100%

Артикул

Название

Примечание

Количество

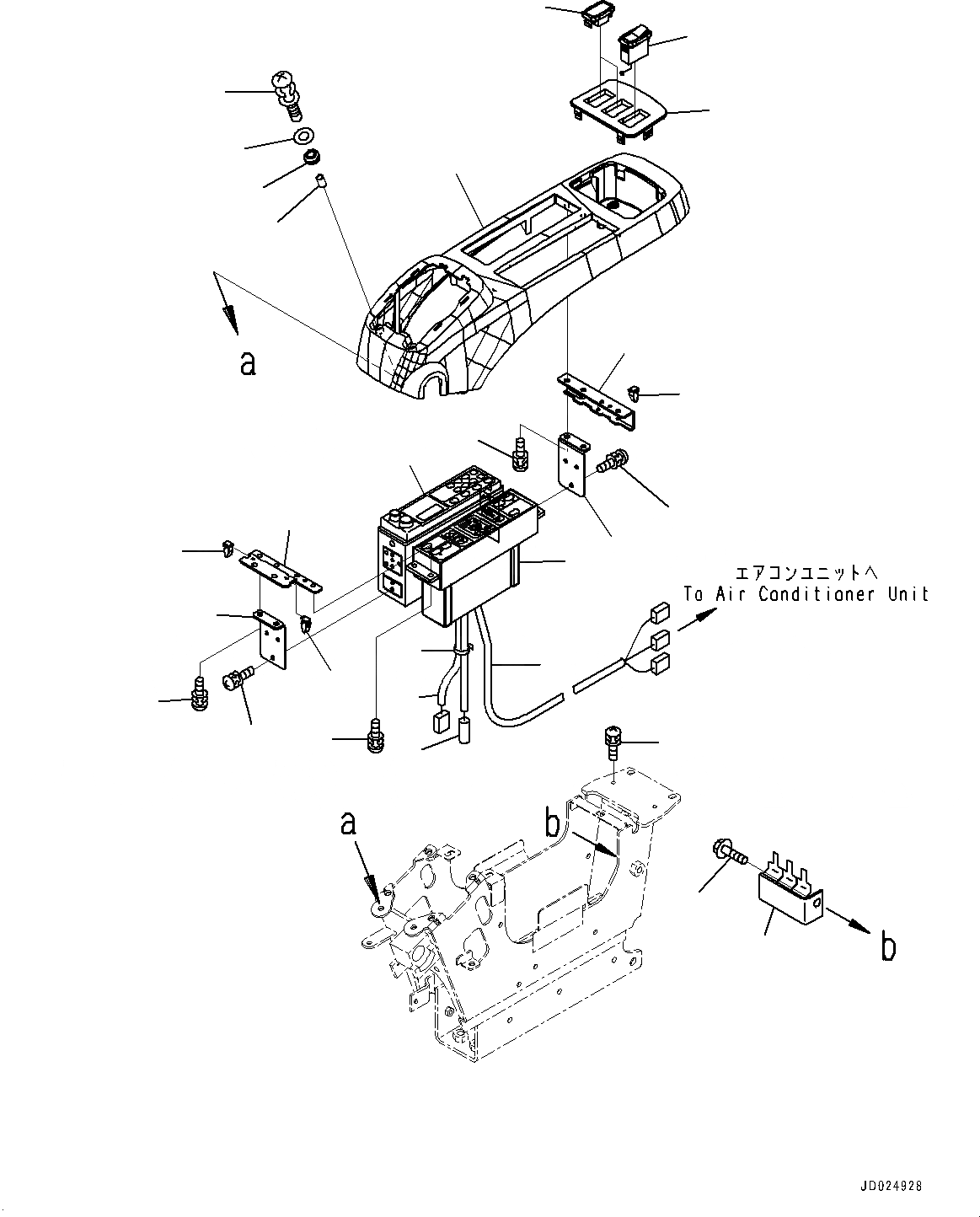
1

20Y-979-6141

Control Panel Assembly

2

20Y-979-6151

Wiring Harness

3

20Y-06-42430

Radio

3

20Y-06-41239

Radio

4

08912-51600

Cord

5

208-43-71680

Cover

6

22U-43-22220

Plate

7

22U-43-22230

Stay

8

22U-06-22510

Bracket

9

01023-60510

Screw

10

01023-60516

Screw

11

20Y-06-23770

Clip

12

22U-06-22350

Wiring Harness

13

08034-00310

Band, White

14

01023-60620

Screw

15

01023-60625

Screw

16

01640-20610

Washer

17

208-43-71610

Cushion

18

208-43-71620

Pipe

19

22U-43-22120

Panel

20

20Y-06-31350

Switch, Wiper

21

22U-06-22320

Cover

22

22U-43-22451

Bracket

23

01435-01020

Bolt

Выбрано товаров: 24