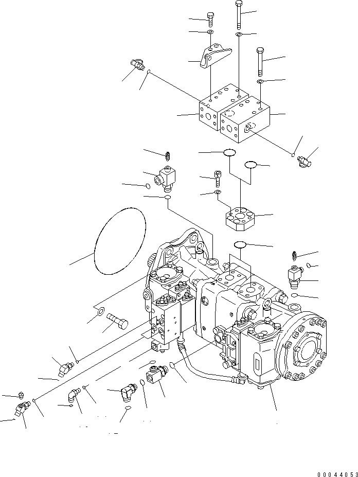
Запчасти Komatsu PC1250SP-8R NO. НАСОС (СОЕДИНИТ. ЧАСТИ)(№-) ГИДРАВЛИКА

Схема запчастей Komatsu PC1250SP-8R - NO. НАСОС (СОЕДИНИТ. ЧАСТИ)(№-) ГИДРАВЛИКА
1
2
3
4
5
6
7
8
9
10
11
12
13
14
15
16
17
18
19
20
20
21
21
22
23
24
25
26
27
28
29
30
31
32
33
34
35
36
37
38
39
40
41
42
43
44
45
FIT
1:1
100%

Артикул

Название

Примечание

Количество

1

708-2H-00440

PUMP ASS'Y

2

07000-E5270

O-RING

3

01010-82065

BOLT

4

01643-32060

WASHER

5

21N-62-11361

FLANGE

6

07000-B3038

O-RING

7

01252-71235

BOLT

8

01643-51232

WASHER

9

21N-62-41860

BLOCK

10

07000-B3038

O-RING

11

01011-81205

BOLT

12

01643-31232

WASHER

13

21N-62-41850

BLOCK

14

07000-B3038

O-RING

15

21N-62-41870

BRACKET

16

01010-81230

BOLT

17

01643-31232

WASHER

18

01011-81205

BOLT

19

01643-31232

WASHER

20

209-62-61310

NIPPLE ASS'Y

21

209-62-61330

O-RING

22

21N-64-36840

ELBOW

23

07002-12434

O-RING

24

207-62-64740

O-RING

25

20B-27-11210

BLEEDER

26

21N-64-36890

ELBOW

27

07002-12434

O-RING

28

02896-11018

O-RING

29

20B-27-11210

BLEEDER

30

21N-64-36420

ELBOW

31

07002-11423

O-RING

32

02896-11009

O-RING

33

07042-30108

PLUG

34

11Y-62-12510

ELBOW

35

07002-11423

O-RING

36

02896-11009

O-RING

37

20U-62-46570

ELBOW

38

07002-12434

O-RING

39

02896-11015

O-RING

40

21W-62-42690

ELBOW

41

07002-12034

O-RING

42

02896-11015

O-RING

43

21W-62-42490

ELBOW

44

07002-11423

O-RING

45

02896-11009

O-RING

Выбрано товаров: 45