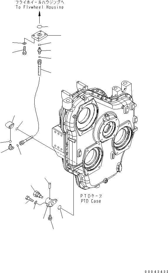
/ / / / / / МЕХ-М ОТБОРА МОЩНОСТИ (МЕХ-М ОТБОРА МОЩН-ТИ ТРУБЫ) (МАХОВИК ТРУБЫ)(№-)
Запчасти Komatsu PC1250SP-8R МЕХ-М ОТБОРА МОЩНОСТИ (МЕХ-М ОТБОРА МОЩН-ТИ ТРУБЫ) (МАХОВИК ТРУБЫ)(№-) КОМПОНЕНТЫ ДВИГАТЕЛЯ
1
2
3
4
5
6
7
8
9
10
11
12
13
14
15
16
17
18
19
20
1
21N-38-41130
ELBOW
2
01010-81245
BOLT
3
01643-31232
WASHER
4
07000-E2055
O-RING
5
02781-00628
UNION
6
02896-21018
O-RING
7
07002-22434
O-RING
8
02762-00606
HOSE
9
02782-10628
ELBOW
10
02896-21018
O-RING
11
07002-22434
O-RING
12
21T-38-31430
ELBOW
13
07000-E3028
O-RING
|$23
6693-22-5600
VALVE ASS'Y
14
6693-22-5610
BODY
15
6693-22-5620
VALVE
16
07040-02412
PLUG
17
04020-00514
PIN
18
07000-E3028
O-RING
19
01010-81080
BOLT
20
01643-31032
WASHER
Выбрано товаров: 0