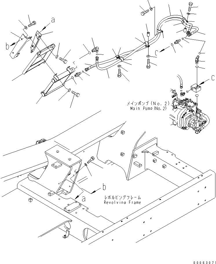
Запчасти Komatsu PC1250SP-8R МЕХ-М ОТБОРА МОЩНОСТИ (ДОПОЛН. МЕХ-М ОТБОРА МОЩН-ТИ ОХЛАДИТЕЛЬ) (+C СПЕЦ-Я.)(№-) КОМПОНЕНТЫ ДВИГАТЕЛЯ

Схема запчастей Komatsu PC1250SP-8R - МЕХ-М ОТБОРА МОЩНОСТИ (ДОПОЛН. МЕХ-М ОТБОРА МОЩН-ТИ ОХЛАДИТЕЛЬ) (+C СПЕЦ-Я.)(№-) КОМПОНЕНТЫ ДВИГАТЕЛЯ
1
2
3
4
5
6
7
8
9
10
11
12
13
14
15
15
16
16
17
17
18
18
19
20
21
21
22
22
23
23
24
24
25
26
27
28
29
30
31
32
33
34
35
35
36
37
38
39
FIT
1:1
100%

Артикул

Название

Примечание

Количество

1

21N-38-41211

BRACKET

2

01010-81230

BOLT

3

01643-31232

WASHER

4

21N-38-41241

BRACKET

5

01010-81240

BOLT

5

01010-81230

BOLT

6

01643-31232

WASHER

7

21N-38-41251

BRACKET

8

01010-81230

BOLT

9

01643-31232

WASHER

10

21M-38-21430

OIL COOLER

11

01010-81025

BOLT

12

01643-31032

WASHER

13

02782-10425

ELBOW

14

02781-0042A

JOINT

15

02896-21012

O-RING

16

07002-22434

O-RING

17

02762-00421

HOSE

18

02762-00420

HOSE

19

02782-10422

ELBOW

20

02781-00422

UNION

21

02896-21012

O-RING

22

07002-22034

O-RING

23

04434-52512

CLIP

24

07095-20318

CUSHION

25

01010-81230

BOLT

26

01643-31232

WASHER

27

04434-52512

CLIP

28

07095-20318

CUSHION

29

20Y-03-11220

COLLAR

30

01010-81260

BOLT

31

01643-31232

WASHER

32

04435-51912

CLIP

33

01010-81225

BOLT

34

01643-31232

WASHER

35

04434-52512

CLIP

36

07095-20318

CUSHION

37

20Y-03-11220

COLLAR

38

01010-81260

BOLT

39

01643-31232

WASHER

Выбрано товаров: 40