Запчасти Komatsu PC1250SP-8R ОСНОВН. КЛАПАН (/) (5-СЕКЦИОНН.) (NO.)(№-) ОСНОВН. КОМПОНЕНТЫ И РЕМКОМПЛЕКТЫ

Схема запчастей Komatsu PC1250SP-8R - ОСНОВН. КЛАПАН (/) (5-СЕКЦИОНН.) (NO.)(№-) ОСНОВН. КОМПОНЕНТЫ И РЕМКОМПЛЕКТЫ
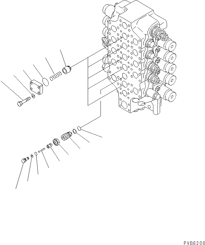
1
2
3
4
5
6
7
8
9
10
11
12
13
14
15
FIT
1:1
100%

Артикул

Название

Примечание

Количество

|$1

709-15-94000

CONTROL VALVE

|$3

BODY GROUP ASS'Y

1

709-12-11411

VALVE,CHECK

2

709-12-11430

SPRING

3

07000-13048

O-RING

4

709-12-12440

PLATE

5

01010-81250

BOLT

6

01602-21236

WASHER

7

709-10-91310

SLEEVE

8

706-73-70140

VALVE,CHECK

9

706-73-70150

SPRING

10

709-74-92450

PLUG

11

709-74-92460

NUT

12

700-93-11320

O-RING

13

700-93-11330

RING,BACK-UP

14

07000-12010

O-RING

15

07001-02010

RING

Выбрано товаров: 0