Качественные детали и логистика
Оригинальные и аналоговые запчасти с доставкой по России, Казахстану и Беларуси
©2022 PartSell ООО "Система" ИНН 2463123282 ОГРН 1212400004838
Центральный офис: г. Красноярск, Академика Киренского, д.87, пом.4
Телефон: 8 (800) 777-65-74 Email: zakaz@partsell.ru
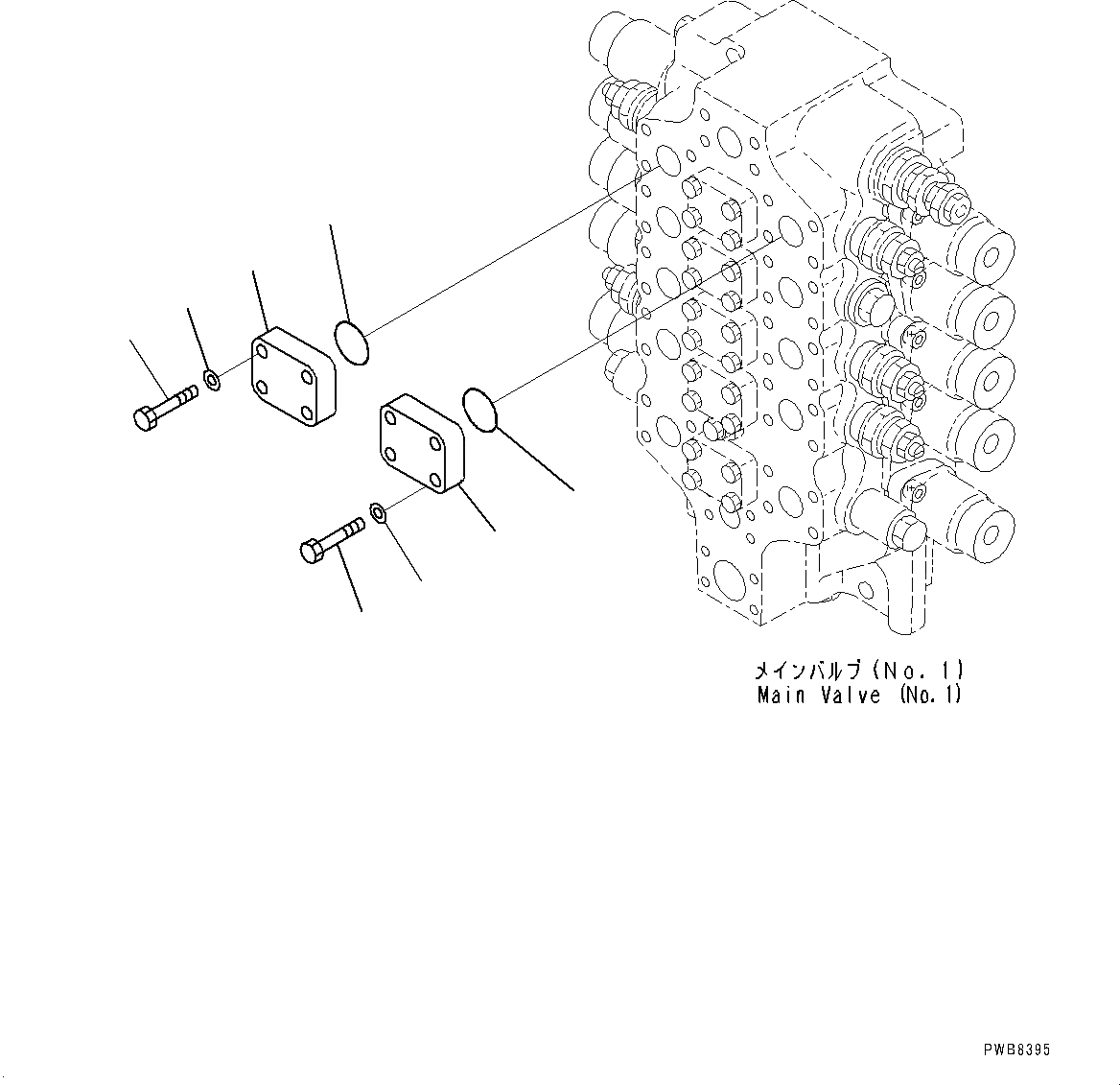
КЛАПАН СЕРВИСН. ЗАГЛУШКА (№-)
№
Артикул
Название
Примечание
Количество
1
07000-B3048
O-ring
2
209-62-52220
Plate
3
01010-81455
Bolt
4
01643-31445
Washer, Flat
5
6
7
8
Выбрано товаров: 0