Качественные детали и логистика
Оригинальные и аналоговые запчасти с доставкой по России, Казахстану и Беларуси
©2022 PartSell ООО "Система" ИНН 2463123282 ОГРН 1212400004838
Центральный офис: г. Красноярск, Академика Киренского, д.87, пом.4
Телефон: 8 (800) 777-65-74 Email: zakaz@partsell.ru
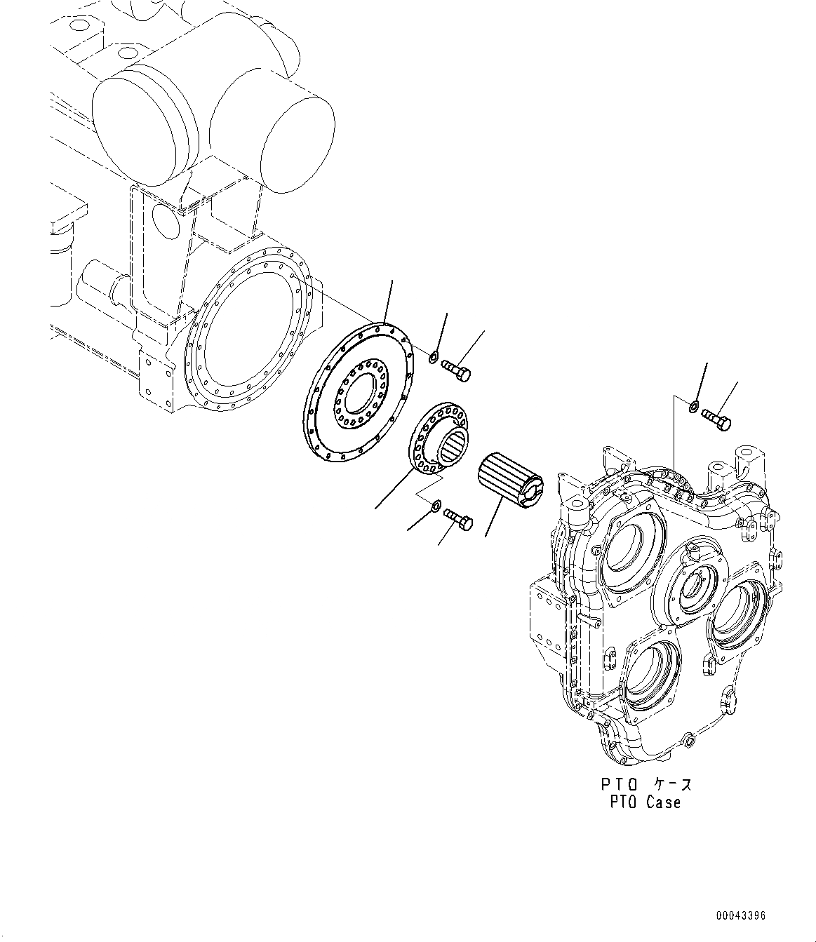
POWER TAKEOFF, КРЕПЛЕНИЕ (№-)
№
Артикул
Название
Примечание
Количество
1
01010-81240
Bolt
2
01643-31232
Washer
3
01010-81245
4
5
21N-38-51240
Plate
6
21N-38-51220
Hub
7
209-38-11280
8
01643-31645
9
21N-38-51230
Shaft
Выбрано товаров: 0