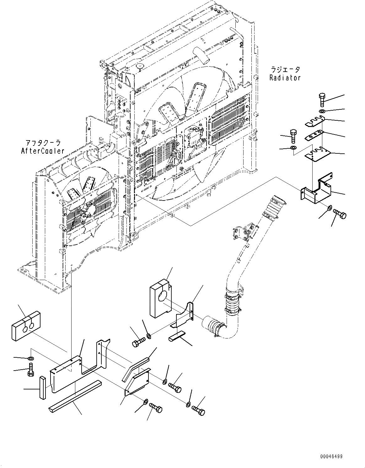
Запчасти Komatsu PC1250SP-8R СИСТЕМА ОХЛАЖДЕНИЯ, ОХЛАДИТЕЛЬ КРЫШКА(№-) СИСТЕМА ОХЛАЖДЕНИЯ, АВТОМАТИЧ. КОНДИЦ. ВОЗДУХА

Схема запчастей Komatsu PC1250SP-8R - СИСТЕМА ОХЛАЖДЕНИЯ, ОХЛАДИТЕЛЬ КРЫШКА(№-) СИСТЕМА ОХЛАЖДЕНИЯ, АВТОМАТИЧ. КОНДИЦ. ВОЗДУХА
10
9
6
5
3
5
6
14
15
8
7
4
1
2
11
12
13
9
10
18
17
23
20
21
22
19
16
25
24
FIT
1:1
100%

Артикул

Название

Примечание

Количество

1

21N-03-42641

Cover

2

21N-03-42651

Sheet

3

21N-03-42661

Sheet

4

21N-03-42671

Sheet

5

01010-81230

Bolt

6

01643-31232

Washer

7

21N-03-42410

Cover

8

21N-03-42430

Sheet

9

01010-81230

Bolt

10

01643-31232

Washer

11

21N-03-42421

Cover

12

21N-03-42480

Sheet

13

21N-03-42681

Sheet

14

01010-81235

Bolt

15

01643-31232

Washer

16

21N-03-41750

Cover

17

01010-81230

Bolt

18

01643-31232

Washer

19

21N-03-41760

Cover

20

01010-81025

Bolt

21

01643-31032

Washer

22

21N-03-41770

Cover

23

21N-03-41780

Sheet

24

01010-81025

Bolt

25

01643-31032

Washer

Выбрано товаров: 25