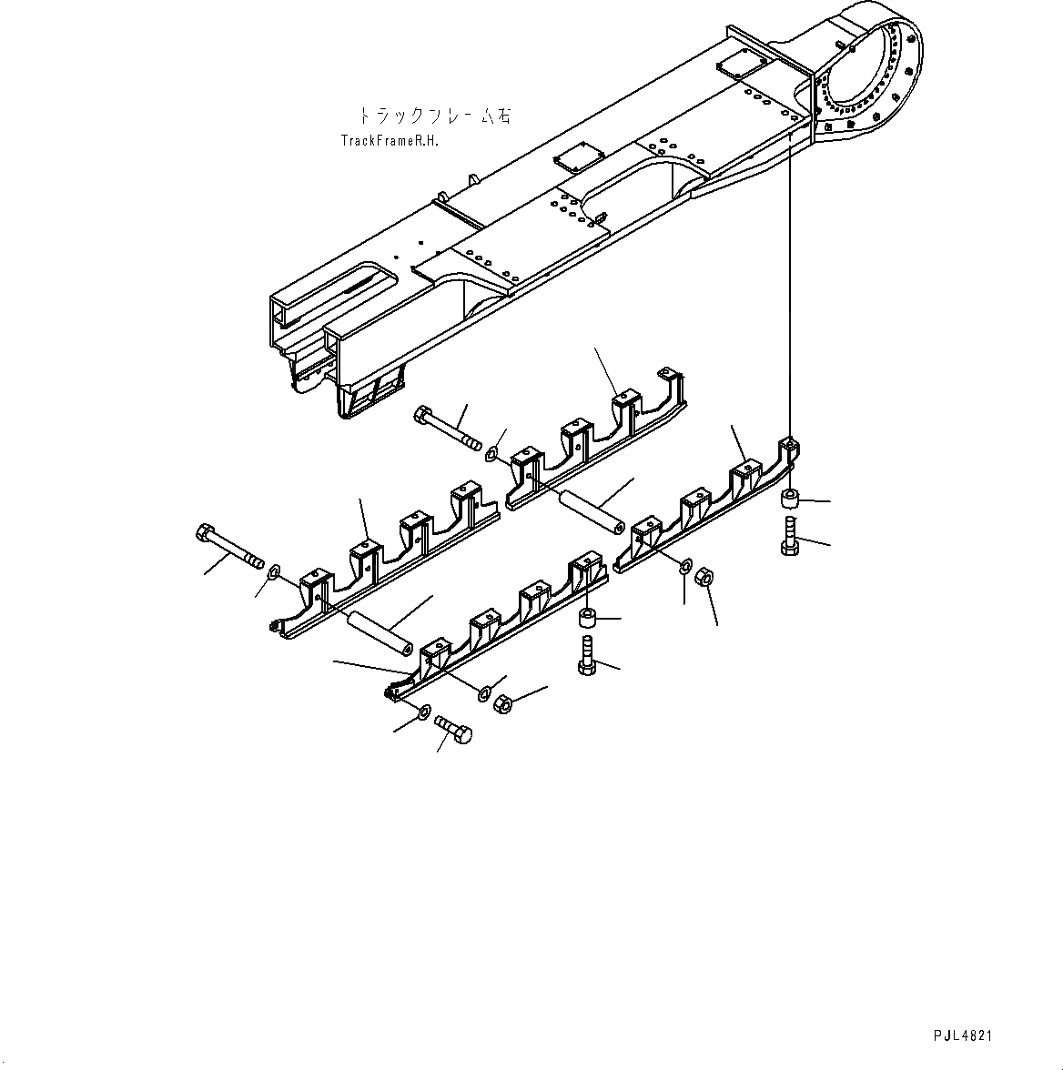
Запчасти Komatsu PC1250SP-8R ГУСЕНИЧНАЯ РАМА, ПОЛН. ЗАЩИТА КАТКОВ (/) (№-) ГУСЕНИЧНАЯ РАМА, ПОЛН. LENGTH ЗАЩИТА ОПОРНЫХ КАТКОВ

Схема запчастей Komatsu PC1250SP-8R - ГУСЕНИЧНАЯ РАМА, ПОЛН. ЗАЩИТА КАТКОВ (/) (№-) ГУСЕНИЧНАЯ РАМА, ПОЛН. LENGTH ЗАЩИТА ОПОРНЫХ КАТКОВ
1
2
3
4
7
9
8
10
11
12
13
14
15
18
16
18
10
17
6
5
FIT
1:1
100%

Артикул

Название

Примечание

Количество

1

21N-30-32251

Guard

2

21N-30-32261

Guard

3

01011-83010

Bolt

4

21T-26-11460

Washer

5

01010-83075

Bolt

6

01643-33080

Washer

7

21N-30-17640

Spacer

8

198-30-37320

Bolt

9

01580-13024

Nut

10

01643-33080

Washer

11

21N-30-32271

Guard

12

21N-30-32281

Guard

13

01011-83010

Bolt

14

21T-26-11460

Washer

15

21N-30-17640

Spacer

16

198-30-37320

Bolt

17

01580-13024

Nut

18

01643-33080

Washer

Выбрано товаров: 0