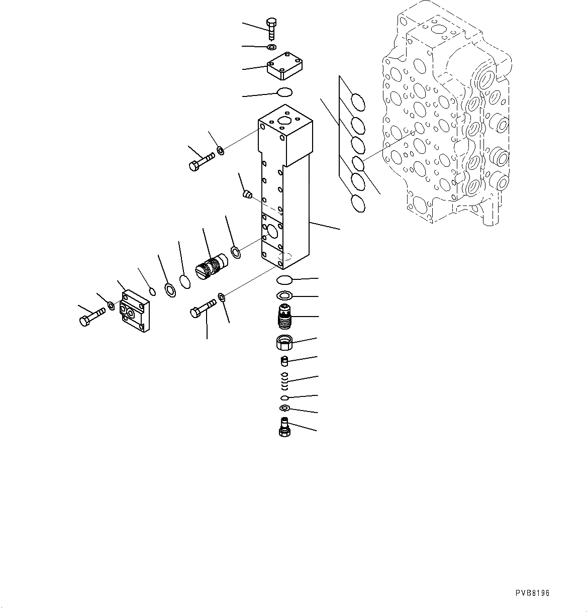
Запчасти Komatsu PC1250SP-8R ПОВОРОТН. УПРАВЛЯЮЩ. КЛАПАН, NO. (/) (№-) ПОВОРОТН. УПРАВЛЯЮЩ. КЛАПАН

Схема запчастей Komatsu PC1250SP-8R - ПОВОРОТН. УПРАВЛЯЮЩ. КЛАПАН, NO. (/) (№-) ПОВОРОТН. УПРАВЛЯЮЩ. КЛАПАН
9
4
6
7
1
5
2
3
8
11
10
17
28
29
13
15
12
14
16
18
19
20
21
22
23
26
27
24
25
FIT
1:1
100%

Артикул

Название

Примечание

Количество

|$0

709-14-93500

Valve Assembly

|$1

Body Assembly

1

709-14-12150

Plug

2

706-73-70140

Valve, Check

3

706-73-70150

Spring

4

709-74-92450

Plug

5

709-74-92460

Nut

6

700-93-11320

O-ring

7

700-93-11330

Ring, Back-up

8

07000-12010

O-ring

9

07001-02010

Ring, Back-up

10

Block

11

Piston

12

709-14-12180

Ring

13

709-14-12190

Plate

14

706-66-40460

O-ring

15

07000-12011

O-ring

16

Seal

17

Plug

18

07000-13048

O-ring

19

07000-13040

O-ring

20

709-12-12440

Plate

21

07000-13048

O-ring

22

01010-81250

Bolt

23

01643-51232

Washer

24

01011-61435

Bolt

25

01643-31445

Washer, Flat

26

01011-81230

Bolt

27

01643-51232

Washer

28

01011-81250

Bolt

29

01643-51232

Washer

Выбрано товаров: 0