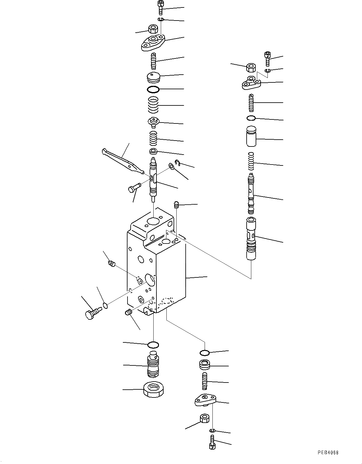
Запчасти Komatsu PC1250SP-8R NO. НАСОС, ВНУТР. ЧАСТИ (/) (№-) NO. НАСОС

Схема запчастей Komatsu PC1250SP-8R - NO. НАСОС, ВНУТР. ЧАСТИ (/) (№-) NO. НАСОС
22
17
18
19
20
24
26
27
25
4
5
13
33
22
7
8
9
10
12
6
30
11
31
2
32
14
1
16
26
23
22
24
27
25
28
2
2
3
29
15
21
23
FIT
1:1
100%

Артикул

Название

Примечание

Количество

|$0

708-2H-00440

Pump Assembly

|$1

708-27-09121

Valve Assembly, Servo,Front

|$2

708-27-09321

Valve Subassembly, Servo,Front

|$3

708-25-00830

Body Assembly

1

Body,Front

2

Expander

3

708-25-15120

Piston

4

708-27-25130

Seat

5

708-27-16310

Spring

6

708-23-15120

Seat

7

708-27-16320

Spring

8

708-23-15160

Plug

9

07000-B2018

O-ring

10

708-25-15150

Cover

11

01580-10806

Nut

12

708-25-15320

Bolt

13

01602-20619

Washer

14

708-25-65170

Plug

15

07002-62034

O-ring

16

07239-12009

Nut

17

708-25-15180

Sleeve

18

708-25-15280

Spool

19

708-25-15310

Spring

20

708-25-15330

Spacer

21

708-25-15430

Plug

22

708-25-15340

Screw

23

07000-B2012

O-ring

24

708-25-15250

Cover

25

01580-10806

Nut

26

708-25-15320

Bolt

27

01602-20619

Washer

28

708-25-15260

Plug

29

07002-60823

O-ring

30

708-67-16260

Arm

31

708-25-15360

Pin

32

708-25-15370

Washer

33

708-25-15380

E-ring

Выбрано товаров: 0