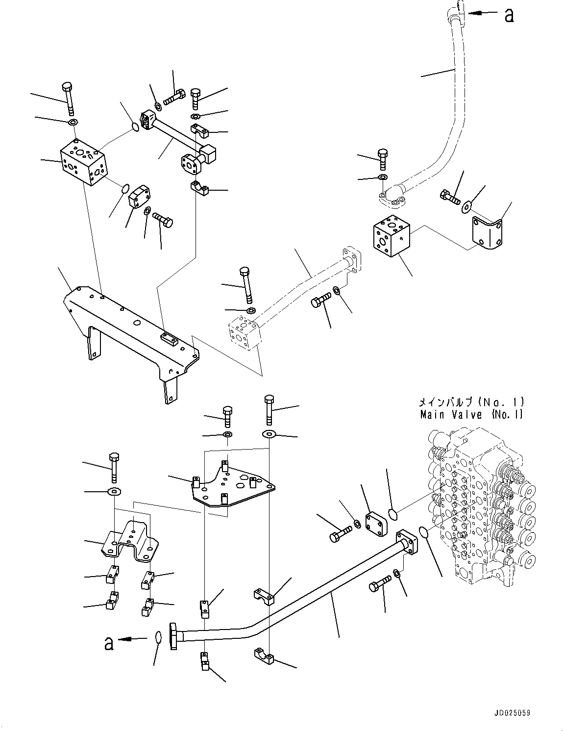
Запчасти Komatsu PC1250SP-8R ТРУБЫ СТРЕЛЫ, СТРЕЛА ПЕРЕДН. ТРУБЫ И NO. КЛАПАН (№-) ТРУБЫ СТРЕЛЫ

Схема запчастей Komatsu PC1250SP-8R - ТРУБЫ СТРЕЛЫ, СТРЕЛА ПЕРЕДН. ТРУБЫ И NO. КЛАПАН (№-) ТРУБЫ СТРЕЛЫ
1
3
4
13
5
2
6
10
9
12
11
8
7
19
18
13
14
15
26
27
28
29
21
33
32
31
23
20
22
16
17
21
24
25
30
36
36
35
35
35
35
39
38
37
34
41
40
38
37
36
36
42
43
FIT
1:1
100%

Артикул

Название

Примечание

Количество

1

21N-62-37980

Bracket

2

21N-62-37970

Block

3

01011-81245

Bolt

4

01643-31232

Washer

5

21N-62-14330

Flange

6

07000-B3038

O-ring

7

01010-81245

Bolt

8

01643-31232

Washer

9

21N-62-32211

Tube

10

07000-B3035

O-ring

11

01010-81060

Bolt

12

01643-51032

Washer

13

205-62-54460

Clamp

14

01010-81275

Bolt

15

01643-31232

Washer

16

01011-81225

Bolt

17

01643-31232

Washer

18

01010-81455

Bolt

19

01643-31445

Washer, Flat

20

21N-62-37440

Tube

21

07000-B3048

O-ring

22

01010-81455

Bolt

23

01643-31445

Washer, Flat

24

01010-81445

Bolt

25

01643-31445

Washer, Flat

26

209-62-52220

Plate

27

07000-B3048

O-ring

28

01010-81455

Bolt

29

01643-31445

Washer, Flat

30

21N-60-37111

Block

31

21N-62-33220

Bracket

32

01010-81230

Bolt

33

175-54-34170

Washer

34

21N-62-41681

Bracket

35

176-61-41330

Clamp

36

176-61-41320

Clamp

37

01010-81270

Bolt

38

175-54-34170

Washer

39

21N-62-41691

Bracket

40

01010-81235

Bolt

41

01643-31232

Washer

42

21N-62-37431

Tube

43

21N-62-37410

Tube

Выбрано товаров: 0