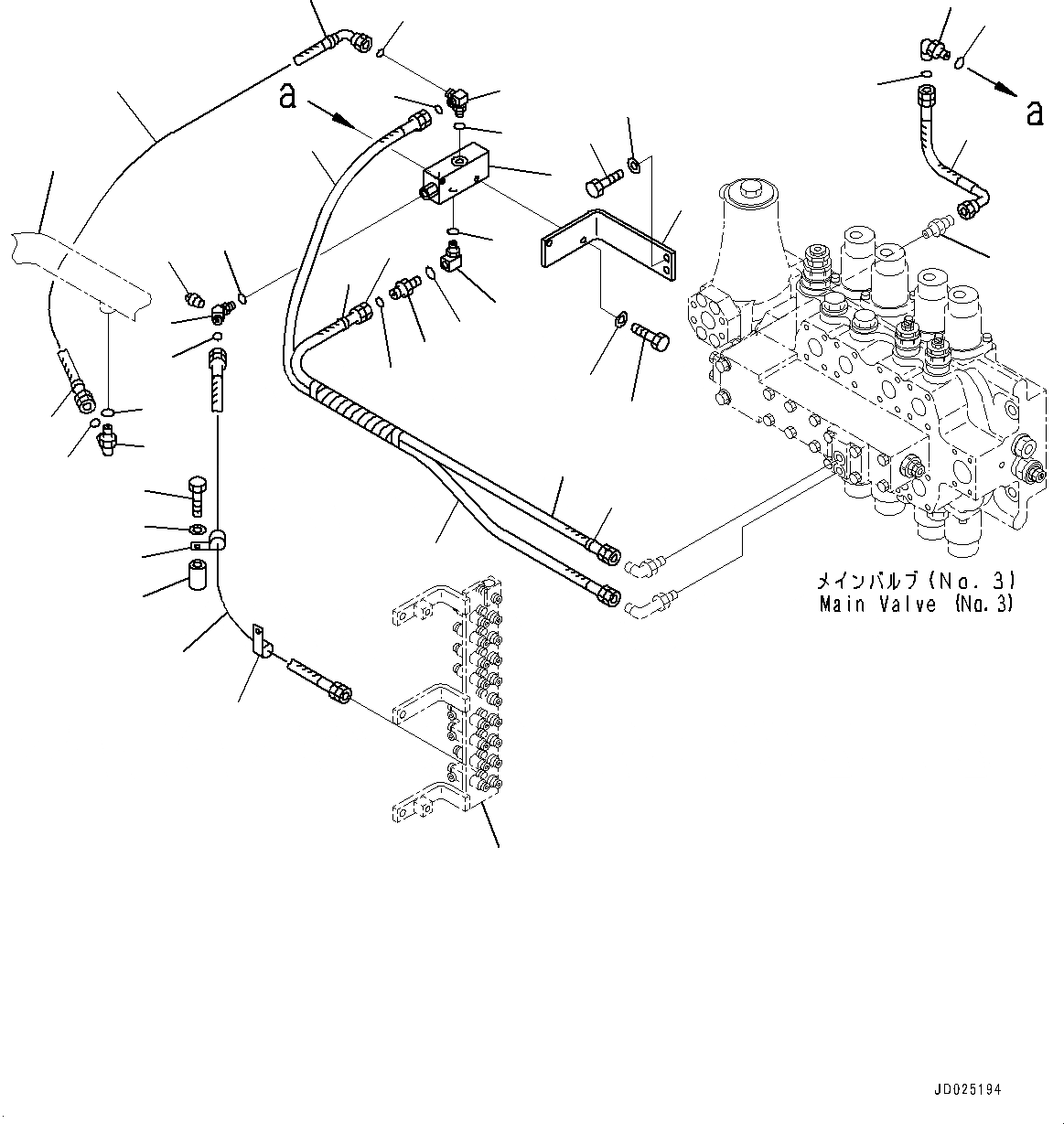
/ / / / / / / РАСПРЕДЕЛИТ. КЛАПАН ТРУБЫ, ГЛАВН. КЛАПАН ТРУБЫ (№-)
Запчасти Komatsu PC1250SP-8R РАСПРЕДЕЛИТ. КЛАПАН ТРУБЫ, ГЛАВН. КЛАПАН ТРУБЫ (№-) РАСПРЕДЕЛИТ. КЛАПАН ТРУБЫ
19
3
1
2
4
5
7
8
9
10
11
12
13
14
15
16
17
18
19
20
21
30
23
24
25
26
27
29
28
31
32
33
34
26
27
29
6
35
30
22
32
37
38
36
1
21N-60-31190
Valve Assembly
2
21N-62-36510
Bracket
3
01010-81025
Bolt
4
01643-31032
Washer
5
02782-10311
Elbow
6
07002-11423
O-ring
7
02896-11009
O-ring
8
21N-64-36420
Elbow
9
07002-11423
O-ring
10
02896-11009
O-ring
11
07042-30108
Plug
12
20F-61-12460
Elbow
13
07002-11423
O-ring
14
21N-64-36580
Union
15
07002-11423
O-ring
16
02896-11009
O-ring
17
21W-62-45140
Elbow
18
07002-11423
O-ring
19
02896-11009
O-ring
20
02782-10315
Elbow
21
07002-12034
O-ring
22
02896-11009
O-ring
23
01010-81230
Bolt
24
01643-31232
Washer
25
02778-003A3
Hose, Face Seal Type
26
02777-00309
Hose, Face Seal Type
27
02777-00308
Hose, Face Seal Type
28
02761-003A5
Hose, Face Seal Type
29
20Y-62-22820
Band, Blue
30
20Y-62-22790
Band, Red
31
02760-00312
Hose, Face Seal Type
32
04434-51512
Clip
33
01010-81275
Bolt
34
01643-31232
Washer
35
195-979-5190
Collar
36
21N-62-36611
Joint
37
21N-62-41361
Tube
38
02781-00315
Union
Выбрано товаров: 0