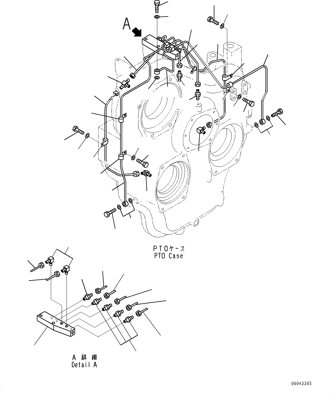
Запчасти Komatsu PC1250SP-8R POWER TAKEOFF, СМАЗЫВАЮЩ. ЛИНИЯ (№-) POWER TAKEOFF, EXTREME HOT AREA СПЕЦ-ЯIFICATION ( DEG C), VHMS

Схема запчастей Komatsu PC1250SP-8R - POWER TAKEOFF, СМАЗЫВАЮЩ. ЛИНИЯ (№-) POWER TAKEOFF, EXTREME HOT AREA СПЕЦ-ЯIFICATION ( DEG C), VHMS
32
12
17
24
15
3
2
33
26
4
4
8
2
5
19
22
1
18
14
13
20
20
9
10
6
7
10
27
18
34
11
29
32
26
11
23
25
30
28
21
31
33
17
16
FIT
1:1
100%

Артикул

Название

Примечание

Количество

1

209-38-73281

Block

2

07213-50710

Connector

3

176-43-41350

Elbow

4

209-38-73220

Tube

5

21T-38-12270

Clip

6

01010-81020

Bolt

7

01643-31032

Washer

8

209-38-51440

Joint

9

07005-01012

Seal, Washer

10

209-38-73270

Tube

11

21T-38-12270

Clip

12

01010-81020

Bolt

13

01643-31032

Washer

14

209-38-51440

Joint

15

07005-01012

Seal, Washer

16

07213-50710

Connector

17

209-38-73210

Tube

18

21N-38-31140

Tube

19

209-38-51440

Joint

20

07005-01012

Seal, Washer

21

209-38-73260

Tube

22

21T-38-12270

Clip

23

01010-81020

Bolt

24

01643-31032

Washer

25

176-43-41350

Elbow

26

209-38-73240

Tube

27

176-43-41350

Elbow

28

21T-38-12270

Clip

29

01010-81020

Bolt

30

01643-31032

Washer

31

209-38-12291

Tee

32

209-38-73250

Tube

33

209-38-73230

Tube

34

07213-50710

Connector

Выбрано товаров: 34