Запчасти Komatsu PC1250SP-8R ПРОПОРЦИОНАЛЬН. PRESSURE УПРАВЛ-Е (PPC) УСИЛ. ПОДЪЕМ ТРУБЫ (№-) ПРОПОРЦИОНАЛЬН. PRESSURE УПРАВЛ-Е (PPC) УСИЛ. ПОДЪЕМ ТРУБЫ

Схема запчастей Komatsu PC1250SP-8R - ПРОПОРЦИОНАЛЬН. PRESSURE УПРАВЛ-Е (PPC) УСИЛ. ПОДЪЕМ ТРУБЫ (№-) ПРОПОРЦИОНАЛЬН. PRESSURE УПРАВЛ-Е (PPC) УСИЛ. ПОДЪЕМ ТРУБЫ
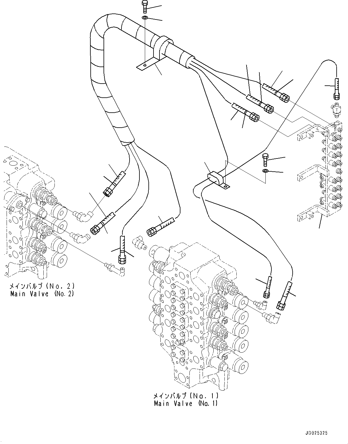
12
13
9
4
7
14
1
14
13
12
11
10
5
8
6
3
9
10
11
2
8
1
15
FIT
1:1
100%

Артикул

Название

Примечание

Количество

1

02760-003A5

Hose, Face Seal Type

2

04435-51512

Clip

3

01010-81225

Bolt

4

01643-31232

Washer

5

23S-61-24870

Clip

6

01010-81225

Bolt

7

01643-31232

Washer

8

02760-00307

Hose, Face Seal Type

9

02760-003A7

Hose, Face Seal Type

10

02760-00308

Hose, Face Seal Type

11

02760-00312

Hose, Face Seal Type

12

20Y-62-22790

Band, Red

13

20Y-62-22850

Band, Green

14

20Y-62-22860

Band, Brown

15

21N-62-36611

Joint

Выбрано товаров: 0