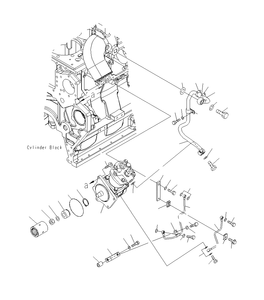
Запчасти Komatsu PC1250SP-8R КРЕПЛЕНИЕ КОНДИЦИОНЕРА И ТРУБЫ A

Схема запчастей Komatsu PC1250SP-8R - КРЕПЛЕНИЕ КОНДИЦИОНЕРА И ТРУБЫ A
35
34
33
35
28
33
38
29
37
36
30
31
32
3
25
27
26
22
5
2
4
30
7
6
22
9
23
20
8
1
12
13
11
19
16
17
14
11
15
10
23
18
24
11
21
FIT
1:1
100%

Артикул

Название

Примечание

Количество

1

6210-81-3122

AIR COMPRESSOR ASS'Y,(SEE FIG.A7010-B6C6)

2

6210-81-3150

O-RING

3

01435-01030

BOLT

4

6162-83-6630

COUPLING,HALF

5

04064-04218

RING,SNAP

6

01583-02012

NUT

7

6127-11-1620

WASHER

8

6245-81-3130

COUPLING

9

6245-81-3160

TUBE,OIL SUPPLY

10

07206-30710

BOLT,JOINT

11

07005-01012

GASKET

12

6933-71-8230

CLIP

13

01010-81020

BOLT

14

01643-31032

WASHER

15

425-03-11420

PLATE

16

01010-81065

BOLT

17

01643-31032

WASHER

18

6128-21-6730

SPACER

19

6245-81-3170

TUBE,OIL SUPPLY

20

6215-11-6560

BOLT,JOINT

21

07206-30710

BOLT,JOINT

22

07005-01012

GASKET

23

6150-71-5661

CLIP

24

01435-00630

BOLT

25

6162-23-7810

PLATE

26

01010-81025

BOLT

27

01643-31032

WASHER

28

6245-81-3140

TUBE,AIR

29

07206-31824

BOLT,JOINT

30

6164-91-6220

GASKET

31

6245-81-3150

TUBE,AIR

32

6137-81-3140

BOLT,JOINT

33

6164-91-6220

GASKET

34

6162-83-6950

HOSE

35

07281-00289

CLAMP

36

04434-51810

CLIP

37

01010-81020

BOLT

38

01643-31032

WASHER

Выбрано товаров: 38