Запчасти Komatsu PC1250SP-8R ВЫПУСКН. (INTAKE) B

Схема запчастей Komatsu PC1250SP-8R - ВЫПУСКН. (INTAKE) B
7
6
10
8
11
8
11
4
5
9
3
2
2
1
18
20
19
2
2
16
13
17
15
14
12
FIT
1:1
100%

Артикул

Название

Примечание

Количество

1

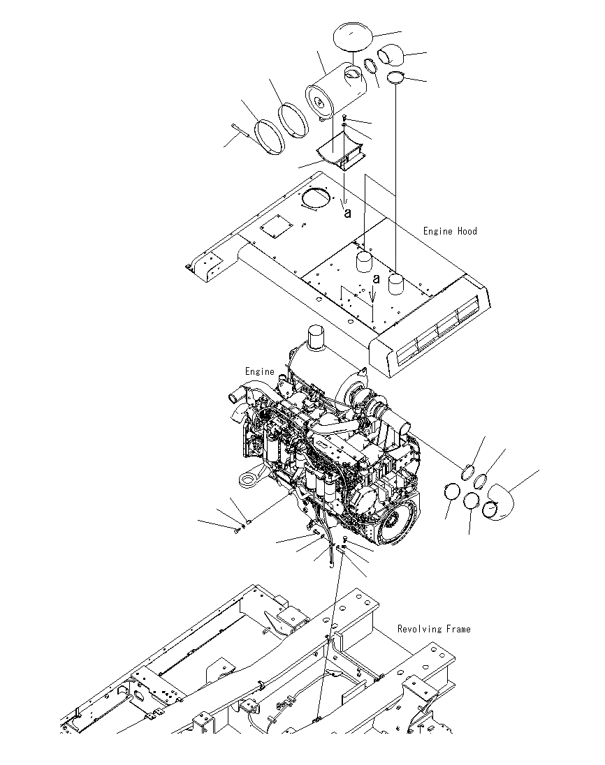
21N-01-41211

HOSE

2

208-01-72180

CLAMP

3

21N-01-37211

BRACKET

4

01010-81230

BOLT

5

01643-31232

WASHER

6

21T-01-64261

AIR CLEANER ASS'Y

|$7

21T-01-64260

AIR CLEANER ASS'Y

7

600-181-3960

CAP

8

6240-11-9910

BAND

|$10

6151-11-9970

BAND

9

6643-11-4641

BOLT

10

561-02-12150

ELBOW

11

561-02-62280

CLAMP

12

21N-01-41140

BRACKET

13

01010-81230

BOLT

14

01643-31232

WASHER

15

04435-51512

CLIP

16

01010-81225

BOLT

17

01643-31232

WASHER

18

04434-52511

CLIP

19

01010-81020

BOLT

20

01643-31032

WASHER

Выбрано товаров: 22