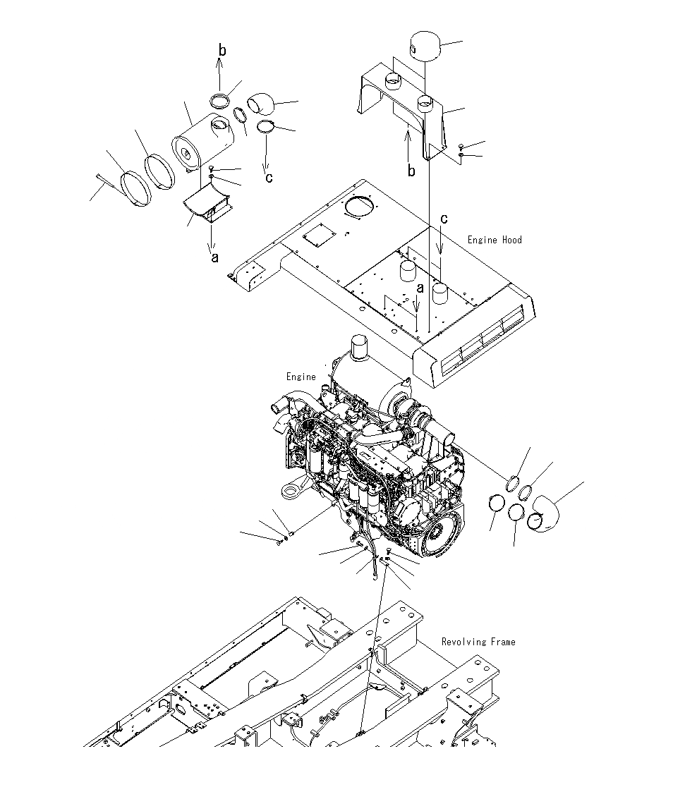
Запчасти Komatsu PC1250SP-8R ВЫПУСКН. (ЗАПЫЛЕНН МЕСТН. СПЕЦ-Я) B

Схема запчастей Komatsu PC1250SP-8R - ВЫПУСКН. (ЗАПЫЛЕНН МЕСТН. СПЕЦ-Я) B
15
17
14
6
9
11
7
10
12
7
13
4
5
8
3
2
2
1
22
24
23
2
20
2
21
19
18
16
FIT
1:1
100%

Артикул

Название

Примечание

Количество

1

21N-01-41211

HOSE

2

208-01-72180

CLAMP

3

21N-01-37211

BRACKET

4

01010-81230

BOLT

5

01643-31232

WASHER

6

561-02-62500

AIR CLEANER ASS'Y

7

6151-11-9970

BAND

8

6643-11-4641

BOLT

9

561-02-12150

ELBOW

10

561-02-62280

CLAMP

11

21N-01-37311

BRACKET

|$12

21N-01-37310

BRACKET

12

01010-81225

BOLT

13

01643-31232

WASHER

14

21N-01-37320

SEAL

15

421-U12-3102

PRECLEANER ASS'Y

|$17

421-U12-3101

PRECLEANER ASS'Y

|$18

421-U1-23100

PRECLEANER ASS'Y

16

21N-01-41140

BRACKET

17

01010-81230

BOLT

18

01643-31232

WASHER

19

04435-51512

CLIP

20

01010-81225

BOLT

21

01643-31232

WASHER

22

04434-52511

CLIP

23

01010-81020

BOLT

24

01643-31032

WASHER

Выбрано товаров: 27