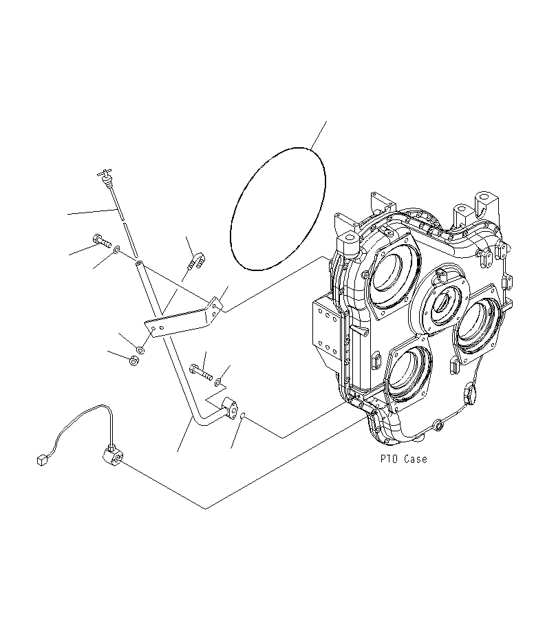
Запчасти Komatsu PC1250SP-8R МЕХ-М ОТБОРА МОЩНОСТИ (МАСЛ. ЩУП) B

Схема запчастей Komatsu PC1250SP-8R - МЕХ-М ОТБОРА МОЩНОСТИ (МАСЛ. ЩУП) B
12
5
9
7
8
6
11
3
10
4
2
1
FIT
1:1
100%

Артикул

Название

Примечание

Количество

1

21N-38-32151

TUBE

2

07000-E3028

O-RING

3

01010-81065

BOLT

4

01643-31032

WASHER

5

21N-38-31161

GAUGE

6

21N-38-32161

BRACKET

7

01010-81030

BOLT

8

01643-31032

WASHER

9

07283-22746

CLIP

10

01599-01011

NUT

11

01643-31032

WASHER

12

07000-E5500

O-RING

Выбрано товаров: 12