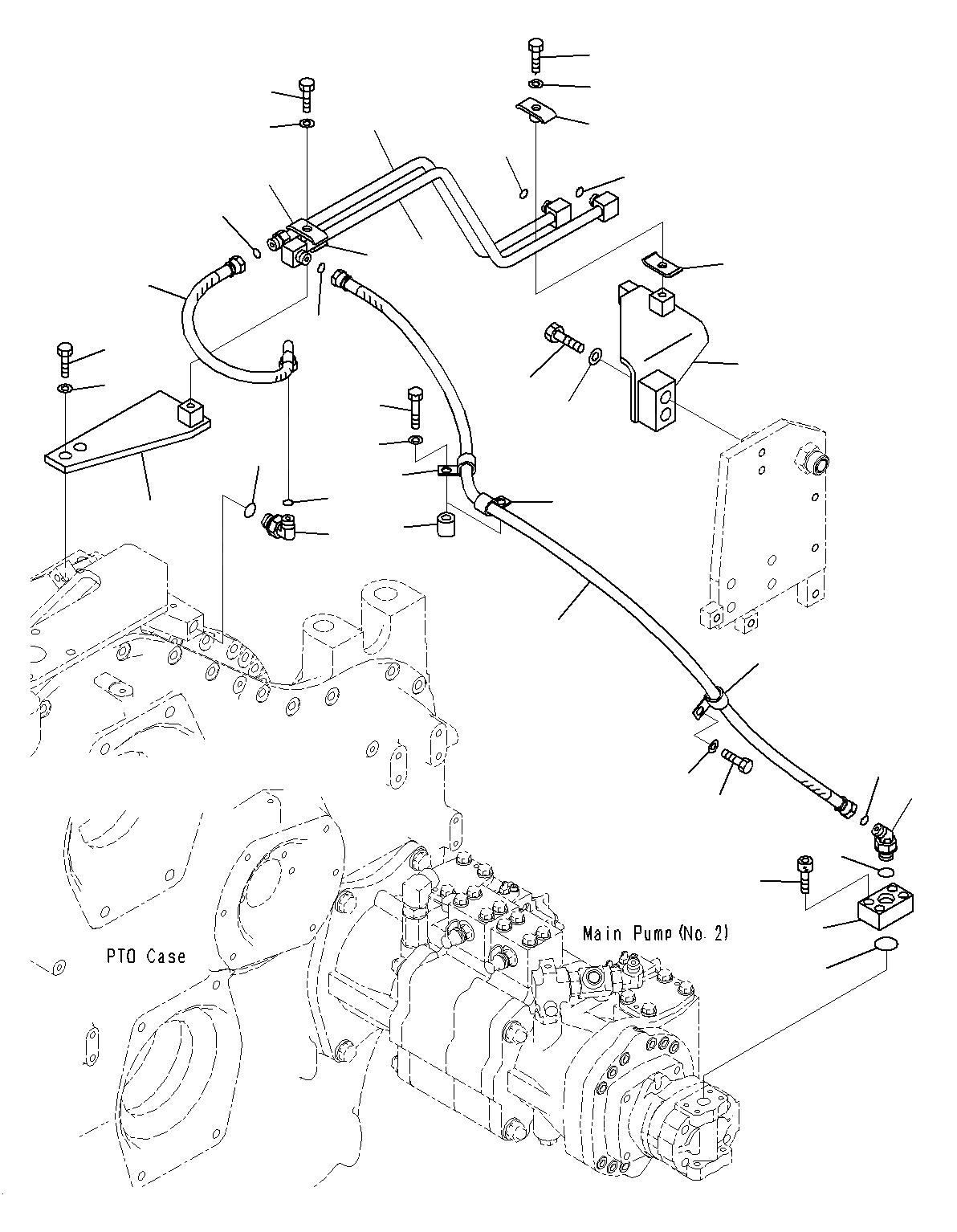
Запчасти Komatsu PC1250SP-8R МЕХ-М ОТБОРА МОЩНОСТИ (МЕХ-М ОТБОРА МОЩН-ТИТРУБЫ)(ЛИНИЯ ПОДАЧИS) B

Схема запчастей Komatsu PC1250SP-8R - МЕХ-М ОТБОРА МОЩНОСТИ (МЕХ-М ОТБОРА МОЩН-ТИТРУБЫ)(ЛИНИЯ ПОДАЧИS) B
19
25
21
18
25
31
26
12
13
14
23
11
26
10
20
1
16
23
17
22
20
15
24
24
22
27
32
28
29
8
8
30
9
7
5
4
6
3
2
FIT
1:1
100%

Артикул

Название

Примечание

Количество

1

07000-E3030

O-RING

2

21N-62-31920

FLANGE

3

01252-70835

BOLT

4

02783-10315

ELBOW

5

02896-21009

O-RING

6

07002-22034

O-RING

7

02760-00314

HOSE

8

04434-51612

CLIP

9

195-33-11220

SPACER

10

02782-10315

ELBOW

11

02896-21009

O-RING

12

07002-22034

O-RING

13

01010-81250

BOLT

14

01643-31232

WASHER

15

04434-51612

CLIP

16

01010-81220

BOLT

17

01643-31232

WASHER

18

02763-003A4

HOSE

19

21N-64-36941

TUBE

20

02896-21009

O-RING

21

21N-64-36931

TUBE

22

02896-21009

O-RING

23

104-62-23180

CLIP

24

201-910-6370

CLAMP

25

01010-81245

BOLT

26

01643-31232

WASHER

27

21N-62-41640

BRACKET

28

01010-81265

BOLT

29

01643-31232

WASHER

30

21N-62-33680

BRACKET

31

01010-81230

BOLT

32

01643-31232

WASHER

Выбрано товаров: 32