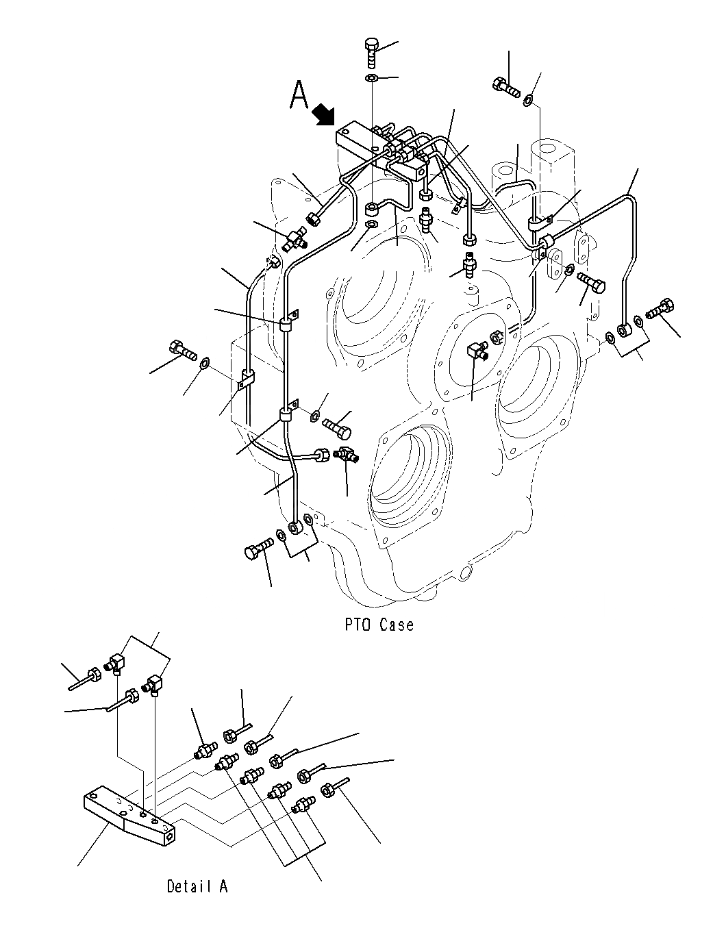
Запчасти Komatsu PC1250SP-8R МЕХ-М ОТБОРА МОЩНОСТИ (МЕХ-М ОТБОРА МОЩН-ТИТРУБЫ)(ЛИНИЯ СМАЗКИS) B

Схема запчастей Komatsu PC1250SP-8R - МЕХ-М ОТБОРА МОЩНОСТИ (МЕХ-М ОТБОРА МОЩН-ТИТРУБЫ)(ЛИНИЯ СМАЗКИS) B
19
28
29
30
20
17
26
33
4
32
31
34
21
18
20
16
5
7
11
6
8
9
13
23
12
24
27
22
11
10
25
15
14
3
10
32
33
2
18
26
4
17
1
2
FIT
1:1
100%

Артикул

Название

Примечание

Количество

1

209-38-73281

BLOCK

2

07213-50710

UNION

3

176-43-41350

ELBOW

4

209-38-73220

TUBE

5

21T-38-12270

CLIP

6

01010-81020

BOLT

7

01643-31032

WASHER

8

209-38-51440

JOINT

9

07005-01012

SEAL WASHER

10

209-38-73270

TUBE

11

21T-38-12270

CLIP

12

01010-81020

BOLT

13

01643-31032

WASHER

14

209-38-51440

JOINT

15

07005-01012

SEAL WASHER

16

07213-50710

UNION

17

209-38-73210

TUBE

18

21N-38-31140

TUBE

19

209-38-51440

JOINT

20

07005-01012

SEAL WASHER

21

209-38-73260

TUBE

22

21T-38-12270

CLIP

23

01010-81020

BOLT

24

01643-31032

WASHER

25

176-43-41350

ELBOW

26

209-38-73240

TUBE

27

176-43-41350

ELBOW

28

21T-38-12270

CLIP

29

01010-81020

BOLT

30

01643-31032

WASHER

31

209-38-12291

TEE

32

209-38-73250

TUBE

33

209-38-73230

TUBE

34

07213-50710

UNION

Выбрано товаров: 34