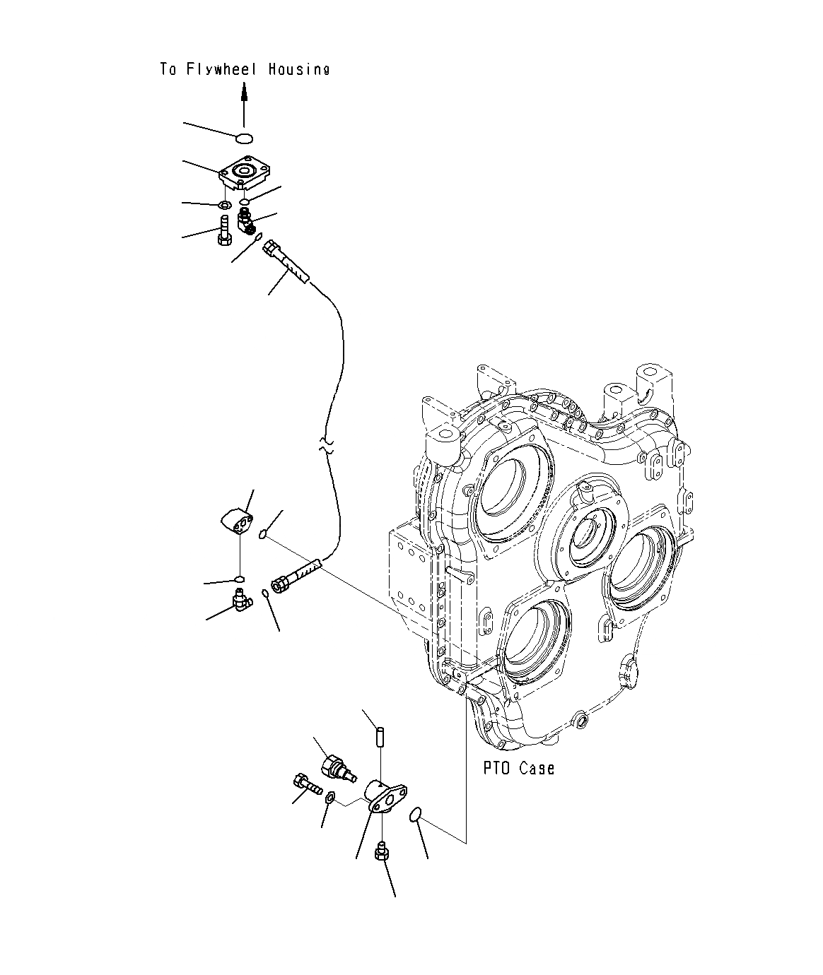
Запчасти Komatsu PC1250SP-8R МЕХ-М ОТБОРА МОЩНОСТИ (МЕХ-М ОТБОРА МОЩН-ТИТРУБЫ)(МАХОВИК ТРУБЫ) B

Схема запчастей Komatsu PC1250SP-8R - МЕХ-М ОТБОРА МОЩНОСТИ (МЕХ-М ОТБОРА МОЩН-ТИТРУБЫ)(МАХОВИК ТРУБЫ) B
4
1
3
2
7
5
6
8
12
13
11
9
10
17
15
19
20
14
16
18
FIT
1:1
100%

Артикул

Название

Примечание

Количество

1

21N-38-41310

FLANGE

2

01010-81235

BOLT

3

01643-31232

WASHER

4

07000-E2055

O-RING

5

203-62-12841

ELBOW

6

02896-21018

O-RING

7

07002-22434

O-RING

8

21N-38-41320

HOSE

9

02782-10628

ELBOW

10

02896-21018

O-RING

11

07002-22434

O-RING

12

21T-38-31430

ELBOW

13

07000-E3028

O-RING

|$14

6693-22-5600

VALVE ASS'Y

14

669-32-25610

BODY

15

669-32-25620

VALVE

16

07040-02412

PLUG

17

04020-00514

PIN

18

07000-E3028

O-RING

19

01010-81080

BOLT

20

01643-31032

WASHER

Выбрано товаров: 21