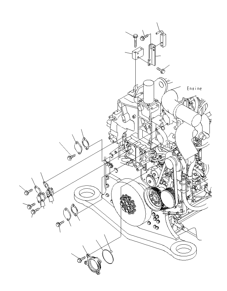
Запчасти Komatsu PC1250SP-8R КРЫШКА(ВЫПУСКН. GAS RE-CIRCULATION (EGR) LESS)(9-7) A

Схема запчастей Komatsu PC1250SP-8R - КРЫШКА(ВЫПУСКН. GAS RE-CIRCULATION (EGR) LESS)(9-7) A
7
8
12
5
11
9
10
2
1
3
14
13
15
6
4
6
2
18
1
17
3
16
19
FIT
1:1
100%

Артикул

Название

Примечание

Количество

1

6245-11-4220

PLATE

2

6166-61-6341

GASKET

3

01435-01025

BOLT

4

6245-61-6490

COVER

5

6110-51-6811

GASKET

6

01435-01025

BOLT

7

6245-61-6320

BLOCK

8

01435-01020

BOLT

9

6245-61-6390

BRACKET

10

01435-01020

BOLT

11

6245-61-6380

BLOCK

12

01435-01075

BOLT

13

6933-21-5970

PLATE

14

6151-51-8151

GASKET

15

01435-01025

BOLT

16

6245-51-9130

COVER

17

07000-72110

O-RING

18

07000-72018

O-RING

19

01435-01020

BOLT

Выбрано товаров: 19