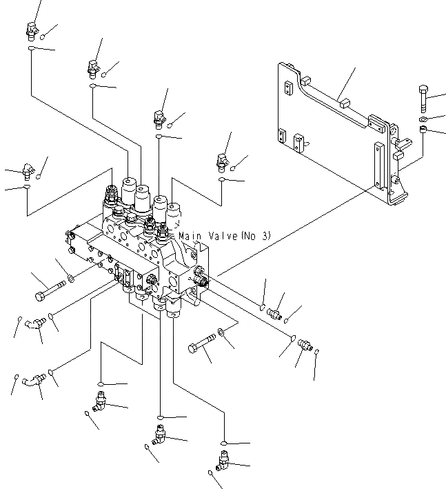
Запчасти Komatsu PC1250SP-8R ПОВОРОТН. УПРАВЛЯЮЩ. КЛАПАН (СОЕДИНИТ. ЧАСТИ) H

Схема запчастей Komatsu PC1250SP-8R - ПОВОРОТН. УПРАВЛЯЮЩ. КЛАПАН (СОЕДИНИТ. ЧАСТИ) H
32
33
34
31
14
13
15
29
28
27
26
25
21
20
19
24
23
30
2
22
1
3
38
37
5
4
6
9
7
8
35
36
12
10
11
30
28
29
17
20
19
21
18
16
FIT
1:1
100%

Артикул

Название

Примечание

Количество

1

21W-62-42490

ELBOW

2

02896-11009

O-RING

3

07002-11423

O-RING

4

21W-62-42490

ELBOW

5

02896-11009

O-RING

6

07002-21423

O-RING

7

02782-10312

ELBOW

8

02896-11009

O-RING

9

07002-11423

O-RING

10

11Y-62-12520

UNION

11

02896-11009

O-RING

12

07002-11423

O-RING

13

21N-64-37130

UNION

14

02896-11009

O-RING

15

07002-11423

O-RING

16

21N-64-36440

ELBOW

17

02896-11009

O-RING

18

07002-12034

O-RING

19

21N-64-37120

ELBOW

20

02896-11009

O-RING

21

07002-12034

O-RING

22

21N-64-36440

ELBOW

23

02896-11009

O-RING

24

07002-12034

O-RING

25

02782-10315

ELBOW

26

02896-11009

O-RING

27

07002-12034

O-RING

28

21N-64-37110

ELBOW

29

02896-11009

O-RING

30

07002-12034

O-RING

31

21N-62-41590

STAND

32

01011-81600

BOLT

33

01643-31645

WASHER

34

198-01-11191

SPACER

35

01011-81605

BOLT

36

01643-31645

WASHER

37

01011-81630

BOLT

38

01643-31645

WASHER

Выбрано товаров: 38