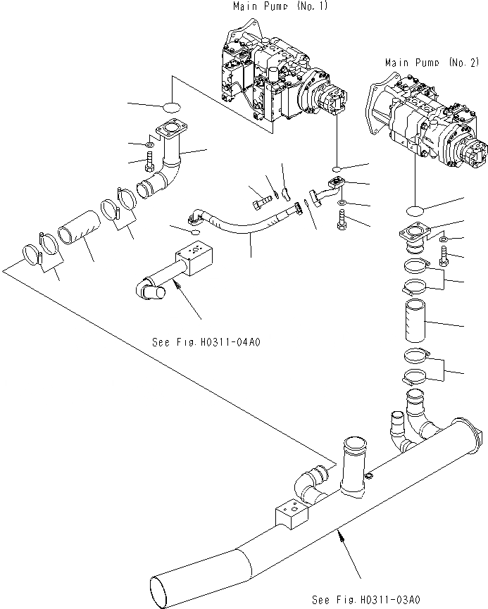
Запчасти Komatsu PC1250SP-8R ВСАСЫВАЮЩАЯ ЛИНИЯ(NO. НАСОС И NO. ЛИНИЯ НАСОСА) H

Схема запчастей Komatsu PC1250SP-8R - ВСАСЫВАЮЩАЯ ЛИНИЯ(NO. НАСОС И NO. ЛИНИЯ НАСОСА) H
2
4
1
13
10
15
3
14
7
17
9
16
12
8
19
12
6
18
11
5
21
6
20
21
FIT
1:1
100%

Артикул

Название

Примечание

Количество

1

21N-62-41130

TUBE

2

07000-12080

O-RING

3

07372-21240

BOLT

4

01643-51232

WASHER

5

07260-07422

HOSE

6

21N-62-37921

CLAMP

7

21N-62-41190

TUBE

8

07372-21040

BOLT

9

01643-51032

WASHER

10

07000-13032

O-RING

11

07298-01006

HOSE

12

07000-13032

O-RING

13

07371-31049

FLANGE

14

07372-21035

BOLT

15

01643-51032

WASHER

16

21N-62-41140

TUBE

17

07000-12080

O-RING

18

07372-21240

BOLT

19

01643-51232

WASHER

20

07260-07422

HOSE

21

21N-62-37921

CLAMP

Выбрано товаров: 21